Бесплатная библиотека стандартов и нормативов www.docload.ru

Все документы, размещенные на этом сайте, не являются их официальным изданием и предназначены исключительно для ознакомительных целей.
Электронные копии этих документов могут распространяться без всяких ограничений. Вы можете размещать информацию с этого сайта на любом другом сайте.
Это некоммерческий сайт и здесь не продаются документы. Вы можете скачать их абсолютно бесплатно!
Содержимое сайта не нарушает чьих-либо авторских прав! Человек имеет право на информацию!

 

ГОСТ 20527-82

МЕЖГОСУДАРСТВЕННЫЙ СТАНДАРТ

ФИТИНГИ УГЛОВЫЕ
КРУПНОТОННАЖНЫХ КОНТЕЙНЕРОВ

КОНСТРУКЦИЯ И РАЗМЕРЫ

ИПК ИЗДАТЕЛЬСТВО СТАНДАРТОВ

Москва

МЕЖГОСУДАРСТВЕННЫЙ СТАНДАРТ

ФИТИНГИ УГЛОВЫЕ КРУПНОТОННАЖНЫХ КОНТЕЙНЕРОВ

Конструкция и размеры

Angle fittings for gross weignt freigt containers.
Desing and dimensions

ГОСТ
20527-82

Взамен
ГОСТ 20527-75

Постановлением Государственного комитета СССР по стандартам от 31 марта 1982 г. № 1365 дата введения установлена

01.01.83

Ограничение срока действия снято по протоколу № 2-92 Межгосударственного совета по стандартизации, метрологии и сертификации (ИУС 2-93)

1. Настоящий стандарт распространяется на угловые фитинги крупнотоннажных контейнеров (далее - фитинги).

Стандарт не распространяется на фитинги авиационных контейнеров.

Фитинги, являющиеся несущими элементами конструкции крупнотоннажных контейнеров, должны обеспечивать надежную и безопасную перевозку, погрузку, выгрузку и перегрузку контейнеров, крепление их на транспортных средствах, а также соединение контейнеров между собой при штабелировании.

Настоящий стандарт устанавливает конструктивные исполнения, основные размеры и технические требования для изготовления и приемки фитингов.

Стандарт полностью соответствует международным стандартам ИСО 1161-84, СТ СЭВ 3343-81.

Фитинги должны отвечать действующим правилам Регистра по контейнерам.

(Измененная редакция, Изм. № 1).

2. В зависимости от места расположения установлены следующие исполнения фитингов: верхний правый, верхний левый, нижний правый, нижний левый (правые и левые фитинги определяются при размещении наблюдателя лицом против любой торцевой стенки контейнера).

Расположение фитингов на контейнере должно соответствовать приложению 1.

3. Пример условного обозначения верхнего правого углового фитинга крупнотоннажного контейнера:

Фитинг ВП ГОСТ 20527-82

То же, нижнего левого фитинга:

Фитинг НЛ ГОСТ 20527-82

4. Климатическое исполнение фитингов - У, категория 1 по ГОСТ 15150-69 для эксплуатации в диапазоне предельных температур 223 К - 343 К (минус 50 °С - плюс 70 °С).

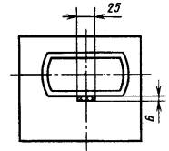
5. Конструкция и размеры фитингов должны соответствовать указанным на черт. 1, 2 и рабочим чертежам, утвержденным в установленном порядке. Допускается изготовлять фитинги с габаритными размерами 180´162´120 мм. Левые фитинги являются зеркальным отражением правых, размеры их идентичны.

Допускается изготавливать фитинги открытыми со сторон, прилегающих к контейнеру (черт. 1 и 2).

Фитинг верхний правый

Черт. 1

Примечание. Предельные отклонения габаритных размеров - по ГОСТ 26645-85.

Фитинг нижний правый

Черт. 2

Примечание. Предельные отклонения габаритных размеров - по ГОСТ 26645-85.

(Измененная редакция, Изм. № 1).

6. Наружные и внутренние радиусы закруглений, не указанные на черт. 1 и 2, должны быть 3-1,5 мм. Допускается вместо закруглений выполнять фаски 2+1´45°.

7. Допускается на черт. 1 и 2 вместо радиуса 6+2 мм выполнять фаску 4+2 ´ 45° и вместо фаски 6,5+1´45° выполнять фаску (6,5 ± 1,5)´45°.

8. Соединение двух наружных закруглений фитингов радиусами 6 и 14,5 мм следует осуществлять плавным переходом дуги одного радиуса в дугу другого радиуса, а при выполнении фасок обеспечивать плавное скругление от фасок 4+2´45° к радиусу 14,5 мм с минимальным снятием металла.

9. Поверхности фитингов, привариваемые к элементам конструкции контейнера (угловым стойкам, продольным и поперечным балкам), должны быть подготовлены под сварку по соответствующей нормативно-технической документации. Остальные наружные и все внутренние поверхности фитингов, а также поверхности их отверстий должны быть пригодными для безопасного выполнения подъемно-транспортных и крепежных операций.

Горизонтальная опорная поверхность на внутренней стороне верхней стенки верхнего фитинга должна быть площадью не менее 800 мм2. Образцы поворотных замков даны в приложении 2.

10. Фитинги должны изготовляться из стали марки 20 ГЛ с химическим составом по ГОСТ 977-88, при этом:

- массовая доля углерода в стали должна быть не более 0,23 %, марганца - не более 1,5 %, серы и фосфора - не более 0,04 % (каждого элемента);

- значения показателей механических свойств стали после окончательной термической обработки фитингов должны быть не менее:

280 МПа - предел текучести;

441 МПа - предел прочности;

490 кДж/м2 - ударная вязкость при 20 °С;

294 кДж/м2 - ударная вязкость при минус 40 °С.

(Измененная редакция, Изм. № 1).

11. Отливки фитингов следует подвергать термической обработке по ГОСТ 977-88.

12. Фитинги следует испытывать на прочность на стендах, обеспечивающих создание условий и сил, возникающих при эксплуатации контейнеров, согласно таблице.

Условия возникновения сил, действующих на фитинги

Направления действия сил на фитинги

Значения сил, действующих на фитинг, кН

верхний

нижний

Штабелирование контейнеров

Вертикально вниз без эксцентриситета (опора плоская)

-

810

Вертикально вниз при эксцентриситете в поперечном направлении 25,4 мм и в продольном 38 мм

680

Подъем контейнеров

Вертикально вверх

150

-

Вверх под углом 30° к горизонтали

-

300

Транспортирование контейнеров на железнодорожных платформах

Продольно через отверстие на нижнюю стенку

-

380

Транспортирование контейнеров на палубе судна

Вертикально вниз (черт. 3)

300

Горизонтально (черт. 3)

150

Несовпадение нижнего отверстия нижнего фитинга контейнера с фиксирующим элементом (черт. 4)

Вертикально вверх

-

150

Схема действия сил на фитинг при транспортировании контейнеров, закрепленных на палубе судна

1 - горизонтальная составляющая 150 кН; 2 - вертикальная составляющая 300 кН; 3 - предельные силы в зоне их приложения

Черт. 3

Фитинг нижний (вид снизу)

Черт. 4

Примечание к черт. 4. Заштрихована поверхность приложения силы.

12.1. Схемы действия сил на контейнеры - по ГОСТ 20259-80.

12.2. Схема действия сил на фитинг при транспортировании контейнеров, закрепленных на палубе судна, указана на черт. 3. Силу прилагают поочередно к торцевым и боковым стенкам фитинга, параллельно их наружным поверхностям на расстоянии не более 38 мм.

12.3. Значения сил, действующих на фитинги при штабелировании, даны применительно к шестиярусному штабелированию контейнеров с максимальной массой брутто одного контейнера 30480 кг. При штабелировании более чем в шесть ярусов значения сил должны быть рассчитаны по формулам:

,

,

где Fн, Fв - значения сил, действующих на нижний и верхний фитинги при испытании, Н;

М - масса брутто контейнера, кг;

g = 9,81 м/с2 - ускорение свободного падения;

n - число ярусов контейнеров при штабелировании.

13. Виды и характер допускаемых остаточных деформаций и дефектов после испытания фитингов на прочность - по технической документации, утвержденной в установленном порядке.

14. Фитинги предъявляют к приемке партиями, состоящими из отливок одной или нескольких плавок, выполненных на одной шихте по одинаковой технологии, прошедшие термообработку по одному режиму. Общее число фитингов в партии должно быть не более 800, в том числе каждого исполнения не более 200.

Для проверки соответствия фитингов требованиям настоящего стандарта предприятие-изготовитель должно проводить приемочный контроль:

- внешнего вида на соответствие требованиям пп. 5 - 9 - сплошной;

- размеров на соответствие требованиям пп. 5 - 7 - по рабочим чертежам, утвержденным в установленном порядке, и п. 9 по соответствующей нормативно-технической документации;

- химического состава и механических свойств стали на соответствие требованиям п. 10;

- качества отливок - неразрушающим дефектоскопическим контролем по технической документации предприятия-изготовителя, утвержденной в установленном порядке, - в объеме 2 % фитингов от партии, но не менее чем на трех фитингах каждой плавки;

- прочности на соответствие требованиям пп. 12, 12.1 - 12.3, 13 и соответствия массы фитинга технической документации предприятия-изготовителя - в объеме 1,5 % от партии фитингов каждого исполнения.

15. Каждый фитинг должен иметь маркировку. Маркировка должна содержать:

- товарный знак или условный номер предприятия-изготовителя;

- номер плавки;

- две последние цифры года изготовления;

- условный монтажный номер.

Маркировку размещают так, чтобы она четко была видна после установки фитингов на контейнере.

Способ и место нанесения маркировки, размер шрифта должны быть указаны в рабочих чертежах предприятия-изготовителя.

ПРИЛОЖЕНИЕ 1

Обязательное

Расположение фитингов на контейнере

1 - фитинг верхний правый (ВП); 2 - фитинг верхний левый (ВЛ); 3 - фитинг нижний правый (НП); 4 - фитинг нижний левый (НЛ)

В миллиметрах

L

В

l1*

l2*

l3

l4

К1

К2

не более

12192-10

2438-5

11985

2259

101,5-1,5

89,0-1,5

19

10

9125-10

8918

16

6058-6

5853

13

2991-5

2787

10

* Размеры для справок.

Примечания:

1. К1 = |А1 - А2| или К1 = |А3 - А4|.

2. К2 = |А5 - А6|.

ПРИЛОЖЕНИЕ 2

Справочное

ЗАМКИ ПОВОРОТНЫЕ

С параллельными боковыми сторонами

Черт. 1

С конусообразными боковыми сторонами

Черт. 2

СОДЕРЖАНИЕ

 




Rambler's Top100 Яндекс цитирования
  Copyright © 2008-2026, www.docload.ru