ГОСТ 27036-86
МЕЖГОСУДАРСТВЕННЫЙ СТАНДАРТ
КОМПЕНСАТОРЫ И УПЛОТНЕНИЯ
СИЛЬФОННЫЕ МЕТАЛЛИЧЕСКИЕ
ОБЩИЕ ТЕХНИЧЕСКИЕ УСЛОВИЯ
ИПК ИЗДАТЕЛЬСТВО СТАНДАРТОВ
Москва
МЕЖГОСУДАРСТВЕННЫЙ СТАНДАРТ
|
КОМПЕНСАТОРЫ И УПЛОТНЕНИЯ
СИЛЬФОННЫЕ МЕТАЛЛИЧЕСКИЕ
Общие технические условия
Metal
bellows expansion joints and seals.
General specifications
|
ГОСТ
27036-86
|
Дата введения 01.07.88;
для изделий Dy 65 - 500, Ру
более 1,6 МПа 01.01.91;
для изделий Dy
600 - 1400 01.01.93
Настоящий стандарт распространяется на сильфонные металлические
компенсаторы (далее - компенсаторы), предназначенные для герметичного
соединения относительно перемещающихся элементов механизмов, устройств,
трубопроводов, и сильфонные металлические уплотнения (далее - уплотнения),
предназначенные для разделения объемов жидкостей и газов, ограниченных
относительно перемещающимися конструкциями.
Стандарт
не распространяется на сильфонные компенсаторы и уплотнения, предназначенные
для бестуннельной подземной прокладки, и на специальные сильфонные компенсаторы
и уплотнения, создаваемые по прямым заказам Министерства обороны.
Термины,
применяемые в настоящем стандарте, и их определения - по ГОСТ 25756.
Требования
пп. 1.1, 2.5
- 2.9, 2.19.1 настоящего стандарта являются рекомендуемыми,
другие требования - обязательными.
(Измененная редакция, Изм. №
2).
1.1.
Компенсаторы и уплотнения относятся к четвертой группе второго класса
промышленной продукции - неремонтируемым изделиям.
1.2.
Основные параметры и размеры компенсаторов и уплотнений в зависимости от проводимых
и разделяемых сред, а также конструктивного исполнения должны соответствовать
указанным на черт. 1 - 33 и в табл. 1 - 28.
(Измененная редакция, Изм. №
1).
1.3.
Условные и рабочие давления - по ГОСТ
356, условные проходы - в соответствии с приложением 1.
1.4.
Схема условных обозначений сильфонных компенсаторов и уплотнений - в
соответствии с приложением 2.
1.5. Уплотнительные
поверхности фланцевых соединений - по ГОСТ
1536.
Таблица 1
|
Тип
|
Наименование
|
Исполнение
|
Условный проход Dу,
мм
|
Условное
давление Рy , Мпа (кгс/см2)
|
Проводимая среда
|
Температура
проводимой среды, К (°С)
|
Скорость
проводимой среды, м/с, не более
|
Номер
чертежа
|
Номер
таблицы
|
|
К001
|
Компенсатор сильфонный сдвиговый
|
01
|
125 - 500
|
1,0 (10)... 2,5 (25)
|
Жидкости
|
От 73 (-200) до 773
(+500)
|
8
|
1
|
2
|
|
02
|
Газы
|
120
|
2
|
|
03
|
125 - 250
|
2,5 (25)… 6,3 (63)
|
Жидкости
|
8
|
3
|
3
|
|
04
|
Газы
|
120
|
4
|
|
05
|
125 - 500
|
1,0 (10)... 2,5 (25)
|
Жидкости
|
От 233 (-40) до 773 (+500)
|
8
|
1
|
4
|
|
06
|
Газы
|
120
|
2
|
|
07
|
200 - 500
|
1,0 (10)... 2,5 (25)
|
Жидкости
|
От 243 (-30) до 573
(+300)
|
8
|
5
|
5
|
|
08
|
Газы
|
120
|
6
|
|
09
|
200 - 500
|
1,0 (10)
|
Морская
вода, щелочи, кислоты
|
От 223 (-50) до 373
(+100)
|
8
|
7
|
6
|
|
10
|
Жидкости
|
|
11
|
Морская
вода, щелочи, кислоты
|
|
К010
|
Компенсатор сильфонный поворотный
|
01
|
65 - 500
|
1,0 (10)... 1,6 (16)
|
Жидкости
|
От 73 (-200) до 773 (+500)
|
8
|
8
|
7
|
|
02
|
Газы
|
120
|
9
|
|
03
|
65 - 250
|
0,25 (2,5)… 1,0 (10)
|
Жидкости
|
8
|
10
|
8
|
|
04
|
Газы
|
120
|
11
|
|
05
|
65 - 500
|
1,0 (10)... 1,6 (16)
|
Жидкости
|
От 233 (-40) до 773
(+500)
|
8
|
8
|
9
|
|
06
|
Газы
|
120
|
9
|
|
07
|
100 - 500
|
1,0 (10)... 1,6 (16)
|
Жидкости
|
От 243 (-30) до 573
(+300)
|
8
|
12
|
10
|
|
08
|
Газы
|
120
|
13
|
|
09
|
100 - 500
|
1,0 (10)... 1,6 (16)
|
Морская
вода, щелочи, кислоты
|
От 223 (-50) до 373
(+100)
|
8
|
14
|
11
|
|
10
|
Жидкости
|
|
11
|
Морская
вода, щелочи, кислоты
|
|
К011
|
Компенсатор сильфонный сдвигово-поворотный
|
01
|
65 - 500
|
0,25
(2,5)... 0,63 (6,3)
|
Жидкости
|
От 73 (-200) до 773 (+500)
|
8
|
15
|
12
|
|
02
|
Газы
|
120
|
16
|
|
03
|
65 - 250
|
1,0
(10)... 1,6 (16)
|
Жидкости
|
8
|
17
|
13
|
|
04
|
Газы
|
120
|
18
|
|
05
|
65 - 500
|
0,25
(2,5)... 0,63 (6,3)
|
Жидкости
|
От 233 (-40) до 773 (+500)
|
8
|
15
|
14
|
|
06
|
Газы
|
120
|
16
|
|
07
|
100 - 150
|
0,25
(2,5)... 1,0 (10)
|
Жидкости
|
От 243 (-30) до 573 (+300)
|
8
|
19
|
15
|
|
08
|
Газы
|
120
|
20
|
|
09
|
100 - 150
|
0,63
(6,3)... 1,0 (10)
|
Морская вода, щелочи, кислоты
|
От 223 (-50) до 373 (+100)
|
8
|
21
|
16
|
|
10
|
Жидкости
|
|
11
|
Морская вода, щелочи, кислоты
|
|
K111
|
Компенсатор сильфонный универсальный
|
01
|
65 - 500
|
0,25
(2,5)... 1,6 (16)
|
Жидкости
|
От 73 (-200) до 773 (+500)
|
8
|
22
|
17
|
|
02
|
Газы
|
120
|
23
|
18
|
|
03
|
65 - 250
|
0,25
(2,5)... 1,0 (10)
|
Жидкости
|
8
|
24
|
19
|
|
04
|
Газы
|
120
|
25
|
|
05
|
65 - 500
|
0,25
(2,5)… 1,6 (16)
|
Жидкости
|
От 233 (-40) до 773 (+500)
|
8
|
22
|
20
|
|
06
|
Газы
|
120
|
23
|
21
|
|
07
|
100 - 500
|
0,25
(2,5)... 1,6 (16)
|
Жидкости
|
От 243 (-30) до 573 (+300)
|
8
|
26
|
22
|
|
08
|
Газы
|
120
|
27
|
|
09
|
65 - 500
|
0,25
(2,5)... 1,6 (16)
|
Морская вода, щелочи, кислоты
|
От 223 (-50) до 373 (+100)
|
8
|
28
|
23
|
|
10
|
65 - 500
|
0,25
(2,5)... 1,6 (16)
|
Жидкости
|
От 223 (-50) до 373
(+100)
|
8
|
28
|
23
|
|
11
|
Морская вода, щелочи, кислоты
|
|
21
|
100 - 500
|
0,1 (1,0)... 6,3 (63)
|
Жидкости
|
От 73 (-200) до 773 (+500)
|
8
|
29
|
24
|
|
22
|
Газы
|
120
|
30
|
|
23
|
100 - 500
|
0,1 (1,0)... 6,3 (63)
|
Жидкости
|
От 233 (-40) до 773 (+500)
|
8
|
29
|
25
|
|
24
|
Газы
|
120
|
30
|
|
25
|
100 500
|
0,1 (1,0)... 6,3 (63)
|
Жидкости
|
От 243 (-30) до 573 (+300)
|
8
|
29
|
26
|
|
26
|
Газы
|
120
|
30
|
|
27
|
600 - 1000
1200 - 1400
|
0,1 (1,0)... 4,0 (40)
|
Жидкости
|
От 233 (-40) до 773 (+500)
|
8
|
31
|
25
|
|
28
|
0,1 (1,0)... 2,5 (25)
|
Газы
|
120
|
|
У111
|
Уплотнение сильфонное
универсальное
|
21
|
100 - 500
|
0,1 (1,0)... 2,5 (25)
|
Жидкости,
газы
|
От 73 (-200) до 773 (+500)
|
-
|
32
|
27
|
|
600 - 1400
|
0,1 (1,0)... 2,5 (25)
|
Жидкости,
газы
|
33
|
28
|
|
25
|
100 - 500
|
От 243 (-30) до 573 (+300)
|
32
|
27
|
Примечания:
1.
Согласование применяемости изделий по ГОСТ 2.124 с условным
проходом Dy > 150 мм на условное давление
Ру > 1,0 МПа (10 кгс/см2) обязательно.
2. Под
термином «жидкости и газы» следует понимать данное состояние любого вещества,
не вызывающего коррозию материала внутренней полости (наружной поверхности)
сильфонных компенсаторов и уплотнений. Из проводимых и окружающих сред не
должны выпадать в осадок и накапливаться между стенками гофров твердые частицы,
препятствующие их перемещению.
3.
Допускается применять компенсаторы исполнений 02, 04, 06, 22, 24 и уплотнения
исполнения 21 при температуре 823 К (550 °С) суммарной продолжительностью не
более 100 ч. Температура ограничительных тяг компенсаторов типов К001 и К011 не
должна превышать 623 К (350 °С).
4.
Допускается использовать компенсаторы и уплотнения, проводящие среду с
температурой от 273 К (0 °С)
до 363 К (90 °С), в морской воде и морском тумане продолжительностью до 10000
ч, а исполнений 10, 11 - в течение срока эксплуатации.
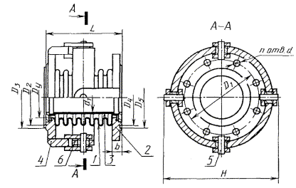
Тип К001
Исполнение
01; 05

1 -
сильфон; 2 - фланец; 3 - ограничительная стяжка; 4 - кожух
Черт. 1
Исполнение
02; 06

1 - сильфон;
2 - фланец; 3J -
ограничительная стяжка; 4 - направляющий патрубок; 5 - кожух
Черт. 2
Исполнение
03

1 -
сильфон; 2 - фланец; 3 - ограничительная стяжка; 4 - кожух
Черт. 3
Исполнение
04

1 -
сильфон; 2 - фланец; 3 - ограничительная стяжка; 4 - направляющий
патрубок; 5 - кожух
Черт. 4
Исполнение
07

1 - сильфон;
2 - фланец; 3 - ограничительная стяжка; 4 - кожух; 5
- уплотнительное кольцо
Черт. 5
Исполнение
08

1 -
сильфон; 2 - фланец; 3 - ограничительная стяжка; 4 - направляющий
патрубок; 5 - уплотнительное кольцо; 6 - кожух
Черт. 6
Исполнение
09; 10; 11

1 - сильфон;
2 - фланец; 3 - ограничительная стяжка; 4 - кожух
Черт. 7
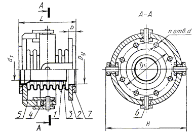
Тип К010
Исполнение 01; 05

1 -
сильфон; 2 - фланец; 3 - вилка; 4 - палец; 5 -
карданное кольцо
Черт. 8
Исполнение
02; 06

1 -
сильфон; 2 - фланец; 3 - направляющий патрубок; 4 - вилка;
5 - палец; 6 - карданное кольцо
Черт. 9
Исполнение
03

1 - сильфон;
2 - фланец; 3 - вилка; 4 - палец; 5 - карданное
кольцо
Черт. 10
Исполнение
04

1 -
сильфон; 2 - фланец; 3 - направляющий патрубок; 4 - вилка;
5 - палец; 6 - карданное кольцо
Черт. 11
Исполнение
07

1 -
сильфон; 2 - фланец; 3 - карданное кольцо; 4 - вилка; 5
- палец; 6 - уплотнительное кольцо
Черт. 12
Исполнение
08

1 -
сильфон; 2 - фланец; 3 - направляющий патрубок; 4 - карданное
кольцо; 5 - вилка; 6 - палец; 7 - уплотнительное кольцо
Черт. 13
Исполнение
09; 10; 11

1 -
сильфон; 2 - фланец; 3 - карданное кольцо; 4 - вилка; 5 -
палец
Черт. 14
Тип К011
Исполнение 01; 05

1 -
сильфон; 2 - фланец; 3 - ограничительная стяжка; 4 - кожух
Черт. 15
Исполнение
02; 06

1 -
сильфон; 2 - фланец; 3 - ограничительная стяжка; 4 -
направляющий патрубок; 5 - кожух
Черт. 16
Исполнение
03

1 -
сильфон; 2 - фланец; 3 - ограничительная стяжка; 4 - кожух
Черт. 17
Исполнение
04

1 - сильфон;
2 - фланец; 3 - ограничительная стяжка; 4 - направляющий
патрубок; 5 - кожух
Черт. 18
Исполнение
07

1 -
сильфон; 2 - фланец; 3 - ограничительная стяжка; 4 - уплотнительное
кольцо; 5 - кожух
Черт. 19
Исполнение
08

1 -
сильфон; 2 - фланец; 3 - ограничительная стяжка; 4 - направляющий
патрубок; 5 - уплотнительное кольцо; 6 - кожух
Черт. 20
Исполнение
09; 10; 11

1 -
сильфон; 2 - фланец; 3 - ограничительная стяжка; 4 - кожух
Черт. 21
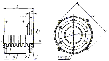
Тип К111
Исполнение 01; 05

1 -
сильфон; 2 - фланец; 3 - кожух
Черт. 22
Исполнение
02; 06

1 - сильфон;
2 - фланец; 3 - направляющий патрубок; 4 - кожух
Черт. 23
Исполнение 03

1 - сильфон; 2 - фланец; 3 - кожух
Черт. 24
Исполнение
04

1 -
сильфон; 2 - фланец; 3 - направляющий патрубок; 4 - кожух
Черт. 25
Исполнение
07

1 - сильфон;
2 - фланец; 3 - уплотнительное кольцо; 4 - кожух
Черт. 26
Исполнение
08

1 -
сильфон; 2 - фланец; 3 - направляющий патрубок; 4 - уплотнительное
кольцо; 5 - кожух
Черт. 27
Исполнение
09; 10; 11

1 -
сильфон; 2 - фланец; 3 - кожух
Черт. 28
Исполнение
21; 23; 25

1 - сильфон;
2 - присоединительный патрубок; 3 - кожух
Черт. 29
Исполнение
22; 24; 26

1 -
сильфон; 2 - направляющий патрубок; 3 - присоединительный
патрубок; 4 - кожух
Черт. 30

1 -
сильфон; 2 - присоединительный патрубок; 3 - кожух; 4 - направляющий
патрубок
Черт. 31
Тип У111
Исполнение 21; 25

1 -
сильфон; 2 - присоединительный патрубок; 3 - кольцо
Черт. 32

1 -
сильфон; 2 - присоединительный патрубок; 3 - кольцо; 4 -
планка
Черт. 33
Примечание. Для сильфонных уплотнений типа У111 (черт. 32, 33)
размер d2 оговаривается
при заказе.
Если при
заказе размер d2 не
указан, деталь 3 поставляется не установленной на изделие.
Таблица 2
Основные параметры и размеры
компенсаторов, тип К001, исполнение 01, 02
Размеры в мм
|
Условный проход Dу
|
Условное давление Ру, МПа
(кгс/см2)
|
н
|
L
|
D1
|
b
|
d
|
п
|
Амплитуда
|
Исполнение
|
|
Номин.
|
Пред. откл.
|
хода 
|
сдвига 
|
поворота 
|
01
|
02
|
|
Масса,
кг
|
Обозначение
|
Код
ОКП
|
d1
|
Масса,
кг
|
Обозначение
|
Код
ОКП
|
|
125
|
1,0 (10)
|
272
282
|
230
|
± 2
|
183
|
25
|
15
|
10
|
-
|
7
|
-
|
16
|
551-01.001
|
36 9574 4001
|
105
|
18
|
551-01.007
|
36 9574 4026
|
|
1,6 (16)
|
187
|
17
|
19
|
-01
|
4002
|
22
|
-01
|
4027
|
|
2,5 (25)
|
302
|
270
|
196
|
30
|
М20
|
26
|
-02
|
4003
|
28
|
-02
|
4028
|
|
150
|
1,0 (10)
|
235
|
208
|
25
|
15
|
12
|
19
|
551-01.001-03
|
36 9574 4004
|
130
|
22
|
551-01.007-03
|
36 9574 4029
|
|
1,6 (16)
|
312
|
217
|
17
|
24
|
-04
|
4005
|
26
|
-04
|
4030
|
|
2,5 (25)
|
332
|
275
|
226
|
35
|
М20
|
40
|
-05
|
4006
|
43
|
-05
|
4031
|
|
200
|
1,0 (10)
|
377
|
240
|
273
|
25
|
17
|
34
|
551-01.001-06
|
36 9574 4007
|
157
|
35
|
551-01.002
|
36 9574 4032
|
|
1,6 (16)
|
382
|
304
|
281
|
36
|
М20
|
46
|
-07
|
4008
|
48
|
-01
|
4033
|
|
2,5 (25)
|
422
|
312
|
291
|
40
|
М24
|
65
|
-08
|
4009
|
66
|
-02
|
4034
|
|
250
|
1,0 (10)
|
432
|
278
|
336
|
25
|
22
|
14
|
42
|
551-01.001-09
|
36 9574 4010
|
207
|
44
|
551-01.002-03
|
36 9574 4035
|
|
1,6 (16)
|
437
|
314
|
341
|
36
|
М24
|
56
|
-10
|
4011
|
62
|
-04
|
4036
|
|
2,5 (25)
|
502
|
322
|
346
|
40
|
96
|
-11
|
4012
|
98
|
-05
|
4037
|
|
300
|
1,0 (10)
|
492
|
297
|
± 3
|
391
|
30
|
22
|
16
|
60
|
551-01.001-12
|
36 9574 4013
|
257
|
62
|
551-01.002-06
|
36 9574 4038
|
|
1,6 (16)
|
314
|
396
|
36
|
М24
|
74
|
-13
|
4014
|
76
|
-07
|
4039
|
|
2,5 (25)
|
542
|
332
|
401
|
45
|
18
|
115
|
-14
|
4015
|
118
|
-08
|
4040
|
|
350
|
1,0 (10)
|
307
|
441
|
30
|
22
|
74
|
551-01.001-15
|
36 9574 4016
|
307
|
77
|
551-01.002-09
|
36 9574 4041
|
|
1,6 (16)
|
582
|
340
|
447
|
40
|
М24
|
113
|
-16
|
4017
|
117
|
-10
|
4042
|
|
2,5 (25)
|
607
|
362
|
460
|
50
|
М27
|
20
|
151
|
-17
|
4018
|
154
|
-11
|
4043
|
|
400
|
1,0 (10)
|
592
|
325
|
496
|
30
|
26
|
18
|
79
|
551-01.001-18
|
36 9574 4019
|
83
|
551-01.002-12
|
36 9574 4044
|
|
1,6 (16)
|
637
|
368
|
505
|
40
|
М27
|
131
|
-19
|
4020
|
357
|
135
|
-13
|
4045
|
|
2,5 (25)
|
662
|
390
|
510
|
50
|
20
|
178
|
-20
|
4021
|
182
|
-14
|
4046
|
|
450
|
1,0 (10)
|
727
|
418
|
551
|
40
|
26
|
177
|
551-01.001-21
|
36 9574 4022
|
427
|
184
|
551-01.002-15
|
36 9574 4047
|
|
1,6 (16)
|
737
|
404
|
555
|
М27
|
185
|
-22
|
4023
|
192
|
-16
|
4048
|
|
500
|
1,0 (10)
|
787
|
456
|
601
|
26
|
20
|
199
|
551-01.001-23
|
36 9574 4024
|
482
|
209
|
551-01.002-17
|
36 9574 4049
|
|
1,6 (16)
|
802
|
388
|
610
|
М27
|
22
|
208
|
-24
|
4025
|
215
|
-18
|
4050
|
Таблица 3
Основные параметры и размеры
компенсаторов, тип К001, исполнение 03, 04
Размеры в мм
|
Условный проход Dу
|
Условное давление Ру, МПа
(кгс/см2)
|
н
|
L
|
D1
|
D2
|
D3
|
D4
|
D5
|
b
|
d
|
п
|
Амплитуда
|
Исполнение
|
|
Номин.
|
Пред. откл.
|
хода 
|
сдвига 
|
поворота 
|
03
|
04
|
|
Масса, кг
|
Обозначение
|
Код ОКП
|
d1
|
Масса, кг
|
Обозначение
|
Код ОКП
|
|
125
|
2,5 (25)
|
287
|
287
|
± 2
|
196
|
143
|
159
|
143
|
159
|
26
|
М20
|
10
|
-
|
7
|
-
|
18
|
551-01.003
|
36 9574 4301
|
105
|
21
|
551-01.027
|
36 9574 4313
|
|
4,0 (40)
|
302
|
302
|
206
|
155
|
175
|
154
|
176
|
41
|
37
|
-01
|
4302
|
40
|
-01
|
4314
|
|
6,3 (63)
|
317
|
317
|
216
|
46
|
26
|
44
|
-02
|
4303
|
46
|
-02
|
4315
|
|
150
|
2,5 (25)
|
342
|
256
|
226
|
169
|
185
|
169
|
185
|
26
|
М20
|
12
|
32
|
551-01.003-03
|
36 9574 4304
|
130
|
35
|
551-01.027-03
|
36 9574 4316
|
|
4,0 (40)
|
362
|
286
|
236
|
183
|
203
|
182
|
204
|
41
|
26
|
53
|
-04
|
4305
|
56
|
-04
|
4317
|
|
6,3 (63)
|
382
|
296
|
246
|
46
|
68
|
-05
|
4306
|
71
|
-05
|
4318
|
|
200
|
2,5 (25)
|
422
|
294
|
291
|
227
|
243
|
227
|
243
|
31
|
М24
|
53
|
551-01.003-06
|
36 9574 4307
|
157
|
64
|
551-01.004
|
36 9574 4319
|
|
4,0 (40)
|
320
|
296
|
239
|
259
|
238
|
260
|
43
|
14
|
105
|
-07
|
4308
|
107
|
-01
|
4320
|
|
6,3 (63)
|
457
|
336
|
320
|
53
|
29
|
130
|
-08
|
4309
|
132
|
-02
|
4321
|
|
250
|
2,5 (25)
|
502
|
314
|
346
|
280
|
300
|
280
|
300
|
36
|
М24
|
86
|
551-01.003-09
|
36 9574 4310
|
207
|
88
|
551-01.004-03
|
36 9574 4322
|
|
4,0 (40)
|
348
|
360
|
292
|
312
|
291
|
313
|
51
|
М27
|
125
|
-10
|
4311
|
127
|
-04
|
4323
|
|
6,3 (63)
|
527
|
368
|
375
|
62
|
33
|
155
|
-11
|
4312
|
157
|
-05
|
4324
|
Таблица 4
Основные параметры и размеры
компенсаторов, тип К001, исполнение 05, 06
Размеры в мм
|
Условный проход Dу
|
Условное давление Ру, МПа
(кгс/см2)
|
н
|
L
|
D1
|
b
|
d
|
п
|
Амплитуда
|
Исполнение
|
|
Номин.
|
Пред. откл.
|
хода 
|
сдвига 
|
поворота 
|
05
|
06
|
|
Масса, кг
|
Обозначение
|
Код ОКП
|
d1
|
Масса, кг
|
Обозначение
|
Код ОКП
|
|
125
|
1,0 (10)
|
272
|
230
|
± 2
|
183
|
25
|
15
|
10
|
-
|
7
|
-
|
16
|
551-01.005
|
36 9574 4401
|
105
|
18
|
551-01.008
|
36 9574 4426
|
|
1,6 (16)
|
282
|
187
|
17
|
19
|
-01
|
4402
|
22
|
-01
|
4427
|
|
2,5 (25)
|
302
|
270
|
196
|
30
|
М20
|
26
|
-02
|
4403
|
28
|
-02
|
4428
|
|
150
|
1,0 (10)
|
235
|
208
|
25
|
15
|
12
|
19
|
551-01.005-03
|
36 9574 4404
|
130
|
22
|
551-01.008-03
|
36 9574 4429
|
|
1,6 (16)
|
312
|
217
|
17
|
24
|
-04
|
4405
|
26
|
-04
|
4430
|
|
2,5 (25)
|
332
|
275
|
226
|
35
|
М20
|
40
|
-05
|
4406
|
43
|
-05
|
4431
|
|
200
|
1,0 (10)
|
377
|
240
|
273
|
25
|
17
|
34
|
551-01.005-06
|
36 9574 4407
|
157
|
35
|
551-01.006
|
36 9574 4432
|
|
1,6 (16)
|
382
|
304
|
281
|
36
|
М20
|
46
|
-07
|
4408
|
48
|
-01
|
4433
|
|
2,5 (25)
|
422
|
312
|
291
|
40
|
М24
|
65
|
-08
|
4409
|
66
|
-02
|
4434
|
|
250
|
1,0 (10)
|
432
|
278
|
336
|
25
|
22
|
14
|
42
|
551-01.005-09
|
36 9574 4410
|
207
|
44
|
551-01.006-03
|
36 9574 4435
|
|
1,6 (16)
|
437
|
314
|
341
|
36
|
М24
|
59
|
-10
|
4411
|
62
|
-04
|
4436
|
|
2,5 (25)
|
502
|
322
|
346
|
40
|
96
|
-11
|
4412
|
98
|
-05
|
4437
|
|
300
|
1,0 (10)
|
492
|
297
|
± 3
|
391
|
30
|
22
|
16
|
60
|
551-01.005-12
|
36 9574 4413
|
257
|
62
|
551-01.006-06
|
36 9574 4438
|
|
1,6 (16)
|
314
|
396
|
36
|
М24
|
74
|
-13
|
4414
|
76
|
-07
|
4439
|
|
2,5 (25)
|
542
|
332
|
401
|
45
|
18
|
115
|
-14
|
4415
|
118
|
-08
|
4440
|
|
350
|
1,0 (10)
|
307
|
441
|
30
|
22
|
74
|
551-01.005-15
|
36 9574 4416
|
307
|
77
|
551-01 006-09
|
36 9574 4441
|
|
1,6 (16)
|
582
|
340
|
447
|
40
|
М24
|
113
|
-16
|
4417
|
117
|
-10
|
4442
|
|
2,5 (25)
|
607
|
362
|
460
|
50
|
М27
|
20
|
151
|
-17
|
4418
|
154
|
-11
|
4443
|
|
400
|
1,0 (10)
|
592
|
325
|
496
|
30
|
26
|
18
|
79
|
551-01.005-18
|
36 9574 4419
|
357
|
83
|
551-01.006-12
|
36 9574 4444
|
|
1,6 (16)
|
637
|
368
|
505
|
40
|
М27
|
131
|
-19
|
4420
|
135
|
-13
|
4445
|
|
2,5 (25)
|
662
|
390
|
510
|
50
|
20
|
178
|
-20
|
4421
|
182
|
-14
|
4446
|
|
450
|
1,0 (10)
|
727
|
418
|
551
|
40
|
26
|
177
|
551-01.005-21
|
36 9574 4422
|
427
|
184
|
551-01.006-15
|
36 9574 4447
|
|
1,6 (16)
|
737
|
404
|
555
|
М27
|
185
|
-22
|
4423
|
192
|
-16
|
4448
|
|
500
|
1,0 (10)
|
787
|
456
|
601
|
26
|
199
|
551-01.005-23
|
36 9574 4424
|
482
|
209
|
551-01.006-17
|
36 9574 4449
|
|
1,6 (16)
|
802
|
388
|
610
|
М27
|
22
|
208
|
-24
|
4425
|
215
|
-18
|
4450
|
Таблица 5
Основные параметры и размеры
компенсаторов, тип К001, исполнение 07, 08
Размеры в мм
|
Условный проход Dу
|
Условное давление Ру, МПа
(кгс/см2)
|
н
|
L
|
D1
|
b
|
d
|
п
|
Амплитуда
|
Исполнение
|
|
Номин.
|
Пред. откл.
|
хода 
|
сдвига 
|
поворота 
|
07
|
08
|
|
Масса, кг
|
Обозначение
|
Код ОКП
|
d1
|
Масса, кг
|
Обозначение
|
Код ОКП
|
|
200
|
1,0 (10)
|
377
|
270
|
± 2
|
273
|
40
|
17
|
12
|
-
|
7
|
-
|
39
|
551-01.009
|
36 9574 4601
|
157
|
40
|
551-01.010
|
36 9574 4620
|
|
1,6 (16)
|
382
|
334
|
281
|
51
|
М20
|
52
|
-01
|
4602
|
53
|
-01
|
4621
|
|
2,5 (25)
|
422
|
352
|
291
|
60
|
М24
|
74
|
-02
|
4603
|
76
|
-02
|
4622
|
|
250
|
1,0 (10)
|
432
|
308
|
336
|
40
|
22
|
14
|
49
|
551-01.009-03
|
36 9574 4604
|
207
|
52
|
551-01.010-03
|
36 9574 4623
|
|
1,6 (16)
|
437
|
344
|
341
|
51
|
М24
|
67
|
-04
|
4605
|
69
|
-04
|
4624
|
|
2,5 (25)
|
502
|
363
|
346
|
60
|
111
|
-05
|
4606
|
113
|
-05
|
4625
|
|
300
|
1,0 (10)
|
492
|
327
|
± 3
|
391
|
45
|
22
|
16
|
66
|
551-01.009-06
|
36 9574 4607
|
257
|
68
|
551-01.010-06
|
36 9574 4626
|
|
1,6 (16)
|
344
|
396
|
51
|
М24
|
80
|
-07
|
4608
|
82
|
-07
|
4627
|
|
2,5 (25)
|
542
|
373
|
401
|
65
|
18
|
124
|
-08
|
4609
|
124
|
-08
|
4628
|
|
350
|
1,0 (10)
|
337
|
441
|
45
|
22
|
81
|
551-01.009-09
|
36 9574 4610
|
307
|
85
|
551-01.010-09
|
36 9574 4629
|
|
1,6 (16)
|
547
|
363
|
447
|
51
|
М24
|
93
|
-10
|
4611
|
97
|
-10
|
4630
|
|
2,5 (25)
|
607
|
402
|
460
|
70
|
М27
|
20
|
164
|
-11
|
4612
|
168
|
-11
|
4631
|
|
400
|
1,0 (10)
|
592
|
356
|
496
|
45
|
26
|
18
|
89
|
551-01.009-12
|
36 9574 4613
|
357
|
93
|
551-01.010-12
|
36 9574 4632
|
|
1,6 (16)
|
617
|
390
|
505
|
51
|
М27
|
126
|
-13
|
4614
|
130
|
-13
|
4633
|
|
2,5 (25)
|
667
|
430
|
510
|
70
|
20
|
190
|
-14
|
4615
|
195
|
-14
|
4634
|
|
450
|
1,0 (10)
|
727
|
438
|
551
|
50
|
26
|
165
|
551-01.009-15
|
36 9574 4616 4617
|
427
|
172
|
551-01.010-15
|
36 9574 4635
|
|
1,6 (16)
|
737
|
444
|
555
|
60
|
М27
|
197
|
-16
|
203
|
-16
|
4636
|
|
500
|
1,0 (10)
|
787
|
486
|
601
|
55
|
26
|
198
|
551-01.009-17
|
36 9574 4618
|
482
|
205
|
551-01.010-17
|
36 9574 4637
|
|
1,6 (16)
|
807
|
428
|
610
|
60
|
М27
|
22
|
228
|
-18
|
4619
|
235
|
-18
|
4638
|
Таблица 6
Основные параметры и размеры
компенсаторов, тип К001, исполнение 09, 10, 11
Размеры в мм
|
Условный проход Dу
|
Условное давление Ру, МПа
(кгс/см2)
|
н
|
L
|
D1
|
b
|
d
|
п
|
Амплитуда
|
Масса, кг
|
Исполнение
|
|
Номин.
|
Пред. откл.
|
хода 
|
сдвига 
|
поворота 
|
09
|
10
|
11
|
|
Обозначение
|
Код ОКП
|
Обозначение
|
Код ОКП
|
Обозначение
|
Код ОКП
|
|
200
|
1,0 (10)
|
377
|
245
|
± 2
|
273
|
25
|
17
|
12
|
-
|
7
|
-
|
37
|
551-01.011
|
36 9574 4523
|
551-01.012
|
36 9574 4530
|
551-01.013
|
36 9574 4537
|
|
250
|
1,0 (10)
|
432
|
282
|
336
|
22
|
14
|
47
|
551-01.011-01
|
36 9574 4524
|
551-01.012-01
|
36 9574 4531
|
551-01.013-01
|
36 9574 4538
|
|
300
|
1,0 (10)
|
492
|
301
|
± 3
|
391
|
30
|
16
|
61
|
551-01.011-02
|
36 9574 4525
|
551-01.012-02
|
36 9574 4532
|
551-01.013-02
|
36 9574 4539
|
|
350
|
1,0 (10)
|
542
|
312
|
441
|
18
|
77
|
551-01.011-03
|
36 9574 4526
|
551-01.012-03
|
36 9574 4533
|
551-01.013-03
|
36 9574 4540
|
|
400
|
1,0 (10)
|
592
|
332
|
496
|
26
|
79
|
551-01.011-04
|
36 9574 4527
|
551-01.012-04
|
36 9574 4534
|
551-01.013-04
|
36 9574 4541
|
|
450
|
1,0 (10)
|
727
|
415
|
551
|
35
|
20
|
171
|
551-01.011-05
|
36 9574 4528
|
551-01.012-05
|
36 9574 4535
|
551-01.013-05
|
36 9574 4542
|
|
500
|
1,0 (10)
|
787
|
452
|
601
|
194
|
551-01.011-06
|
36 9574 4529
|
551-01.012-06
|
36 9574 4536
|
551-01.013-06
|
36 9574 4543
|
Таблица 7
Основные параметры и размеры
компенсаторов, тип К010, исполнение 01, 02
Размеры в мм
|
Условный проход Dу
|
Условное давление Ру, МПа
(кгс/см2)
|
н
|
L
|
D1
|
b
|
d
|
п
|
Амплитуда
|
Исполнение
|
|
Номин.
|
Пред. откл.
|
хода 
|
сдвига 
|
поворота 
|
01
|
02
|
|
Масса, кг
|
Обозначение
|
Код ОКП
|
d1
|
Масса, кг
|
Обозначение
|
Код ОКП
|
b
|
L
|
|
65
|
1,0 (10)
|
232
|
213
|
± 2
|
123
|
18
|
15
|
6
|
-
|
-
|
10°
|
10
|
551-01.014
|
36 9574 7125
|
50
|
16
|
551-01.015
|
36 9574 7149
|
24
|
225
|
|
1,6 (16)
|
242
|
225
|
132
|
24
|
17
|
8
|
15
|
-01
|
7126
|
-01
|
7150
|
|
80
|
1,0 (10)
|
242
|
200
|
138
|
18
|
15
|
12
|
551-01.014-02
|
36 9574 7127
|
60
|
551-01.015-02
|
36 9574 7151
|
210
|
|
1,6 (16)
|
260
|
215
|
147
|
26
|
17
|
17
|
-03
|
7128
|
18
|
-03
|
7152
|
26
|
215
|
|
100
|
1,0 (10)
|
265
|
200
|
158
|
18
|
15
|
14
|
551-01.014-04
|
36 9574 7129
|
80
|
22
|
551-01.015-04
|
36 9574 7153
|
24
|
210
|
|
1,6 (16)
|
280
|
215
|
167
|
26
|
17
|
10
|
21
|
-05
|
7130
|
-05
|
7154
|
26
|
215
|
|
125
|
1,0 (10)
|
290
|
220
|
183
|
20
|
15
|
19
|
551-01.014-06
|
36 9574 7131
|
105
|
29
|
551-01.015-06
|
36 9574 7155
|
24
|
228
|
|
1,6 (16)
|
303
|
235
|
187
|
28
|
17
|
27
|
-07
|
7132
|
-07
|
7156
|
28
|
235
|
|
150
|
1,0 (10)
|
332
|
225
|
208
|
20
|
15
|
12
|
29
|
551-01.014-08
|
36 9574 7133
|
130
|
551-01.015-08
|
36 9574 7157
|
24
|
233
|
|
1,6 (16)
|
340
|
240
|
217
|
28
|
17
|
32
|
-09
|
7134
|
34
|
-09
|
7158
|
28
|
240
|
|
200
|
1,0 (10)
|
410
|
273
|
25
|
44
|
551-01.014-10
|
36 9574 7135
|
157
|
45
|
551-01.020
|
36 9574 7159
|
25
|
240
|
|
1,6 (16)
|
425
|
292
|
281
|
30
|
М20
|
59
|
-11
|
7136
|
64
|
-01
|
7160
|
30
|
292
|
|
250
|
1,0 (10)
|
487
|
278
|
336
|
25
|
22
|
14
|
70
|
551-01.014-12
|
36 9574 7137
|
207
|
72
|
551-01.020-02
|
36 9574 7161
|
25
|
278
|
|
1,6 (16)
|
528
|
305
|
341
|
32
|
М24
|
76
|
-13
|
7138
|
83
|
-03
|
7162
|
32
|
305
|
|
300
|
1,0 (10)
|
555
|
297
|
± 3
|
391
|
30
|
22
|
16
|
100
|
551-01.014-14
|
36 9574 7139
|
257
|
102
|
551-01.020-04
|
36 9574 7163
|
30
|
297
|
|
1,6 (16)
|
583
|
310
|
396
|
40
|
М24
|
115
|
-15
|
7140
|
117
|
-05
|
7164
|
40
|
310
|
|
350
|
1,0 (10)
|
633
|
307
|
441
|
30
|
22
|
18
|
138
|
551-01.014-16
|
36 9574 7141
|
307
|
142
|
551-01.020-06
|
36 9574 7165
|
30
|
307
|
|
1,6 (16)
|
660
|
360
|
447
|
50
|
М24
|
317
|
-17
|
7142
|
320
|
-07
|
7166
|
50
|
360
|
|
400
|
1,0 (10)
|
720
|
325
|
496
|
30
|
26
|
194
|
551-01.014-18
|
36 9574 7143
|
357
|
197
|
551-01.020-08
|
36 9574 7167
|
30
|
325
|
|
1,6 (16)
|
745
|
388
|
505
|
50
|
М27
|
322
|
-19
|
7144
|
326
|
-09
|
7168
|
50
|
388
|
|
450
|
1,0 (10)
|
805
|
428
|
551
|
45
|
26
|
20
|
288
|
551-01.014-20
|
36 9574 7145
|
427
|
295
|
551-01.020-10
|
36 9574 7169
|
45
|
428
|
|
1,6 (16)
|
834
|
455
|
555
|
65
|
М27
|
409
|
-21
|
7146
|
416
|
-11
|
7170
|
65
|
455
|
|
500
|
1,0 (10)
|
865
|
495
|
601
|
60
|
26
|
22
|
442
|
551-01.014-22
|
36 9574 7147
|
482
|
451
|
551-01.020-12
|
36 9574 7171
|
60
|
495
|
|
1,6 (16)
|
965
|
468
|
610
|
80
|
М27
|
563
|
-23
|
7148
|
573
|
-13
|
7172
|
80
|
468
|
Таблица 8
Основные параметры и размеры
компенсаторов, тип К010, исполнение 03, 04
Размеры в мм
|
Условный проход Dу
|
Условное давление Ру, МПа
(кгс/см2)
|
н
|
L
|
D1
|
D2
|
D3
|
D4
|
D5
|
b
|
d
|
п
|
Амплитуда
|
Исполнение
|
|
Номин.
|
Пред. откл.
|
хода 
|
сдвига 
|
поворота 
|
03
|
04
|
|
Масса, кг
|
Обозначение
|
Код ОКП
|
d1
|
Масса, кг
|
Обозначение
|
Код ОКП
|
|
65
|
0,25 (2,5)
|
247
|
225
|
± 2
|
137
|
94
|
110
|
94
|
110
|
24
|
17
|
8
|
-
|
-
|
10°
|
15
|
551-01.016
|
36 9574 7173
|
50
|
17
|
551-01.017-01
|
36 9574 7301
|
|
0,63 (6,3)
|
-01
|
7174
|
-01
|
7302
|
|
1,0 (10)
|
16
|
-02
|
7175
|
-02
|
7303
|
|
80
|
0,25 (2,5)
|
265
|
210
|
152
|
105
|
121
|
105
|
121
|
17
|
551-01.016-03
|
36 9574 7176
|
60
|
18
|
551-01.017-03
|
36 9574 7304
|
|
0,63 (6,3)
|
-04
|
7177
|
-04
|
7305
|
|
1,0 (10)
|
-05
|
7178
|
-05
|
7306
|
|
100
|
1,0 (10)
|
158
|
118
|
134
|
118
|
134
|
15
|
19
|
551-01.016-06
|
36 9574 7179
|
80
|
21
|
551-01.017-06
|
36 9574 7307
|
|
125
|
1,0 (10)
|
290
|
232
|
183
|
143
|
159
|
143
|
159
|
26
|
10
|
22
|
551-01.016-07
|
36 9574 7180
|
105
|
23
|
551-01.017-07
|
36 9574 7308
|
|
150
|
1,0 (10)
|
332
|
237
|
208
|
169
|
185
|
169
|
185
|
12
|
27
|
551-01.016-08
|
36 9574 7181
|
130
|
29
|
551-01.017-08
|
36 9574 7309
|
|
200
|
1,0 (10)
|
410
|
242
|
273
|
227
|
243
|
227
|
243
|
17
|
43
|
551-01.016-09
|
36 9574 7182
|
157
|
44
|
551-01.028
|
36 9574 7310
|
|
250
|
1,0 (10)
|
488
|
280
|
336
|
280
|
300
|
280
|
300
|
22
|
14
|
72
|
551-01.016-10
|
36 9574 7183
|
207
|
74
|
551-01.028-01
|
36 9574 7311
|
Таблица 9
Основные параметры и размеры
компенсаторов, тип К010, исполнение 05, 06
Размеры в мм
|
Условный проход Dу
|
Условное давление Ру, МПа
(кгс/см2)
|
н
|
L
|
D1
|
b
|
d
|
п
|
Амплитуда
|
Исполнение
|
|
Номин.
|
Пред. откл.
|
хода 
|
сдвига 
|
поворота 
|
05
|
06
|
|
Масса, кг
|
Обозначение
|
Код ОКП
|
d1
|
Масса, кг
|
Обозначение
|
Код ОКП
|
b
|
L
|
|
65
|
1,0 (10)
|
232
|
213
|
± 2
|
123
|
18
|
15
|
6
|
-
|
-
|
10°
|
10
|
551-01.018
|
36 9574 7401
|
50
|
16
|
551-01.019
|
36 9574 7425
|
24
|
225
|
|
1,6 (16)
|
242
|
225
|
132
|
24
|
17
|
8
|
15
|
-01
|
7402
|
-01
|
7426
|
|
80
|
1,0 (10)
|
242
|
200
|
138
|
18
|
15
|
12
|
551-01.018-02
|
36 9574 7403
|
60
|
18
|
551-01.019-02
|
36 9574 7427
|
210
|
|
1,6 (16)
|
260
|
215
|
147
|
26
|
17
|
10
|
17
|
-03
|
7404
|
-03
|
7428
|
26
|
215
|
|
100
|
1,0 (10)
|
265
|
200
|
158
|
18
|
15
|
14
|
551-01.018-04
|
36 9574 7405
|
80
|
22
|
551-01.019-04
|
36 9574 7429
|
24
|
210
|
|
1,6 (16)
|
280
|
215
|
167
|
26
|
17
|
21
|
-05
|
7406
|
-05
|
7430
|
26
|
215
|
|
125
|
1,0 (10)
|
290
|
220
|
183
|
20
|
15
|
19
|
551-01.018-06
|
36 9574 7407
|
105
|
29
|
551-01.019-06
|
36 9574 7431
|
24
|
228
|
|
1,6 (16)
|
303
|
235
|
187
|
28
|
17
|
27
|
-07
|
7408
|
-07
|
7432
|
28
|
235
|
|
150
|
1,0 (10)
|
332
|
225
|
208
|
20
|
15
|
12
|
29
|
551-01.018-08
|
36 9574 7409
|
130
|
551-01.019-08
|
36 9574 7433
|
24
|
233
|
|
1,6 (16)
|
340
|
240
|
217
|
28
|
17
|
32
|
-09
|
7410
|
-09
|
7434
|
28
|
240
|
|
200
|
1,0 (10)
|
410
|
273
|
25
|
44
|
551-01.018-10
|
3695747411
|
157
|
45
|
551-01.021
|
36 9574 7435
|
25
|
240
|
|
1,6 (16)
|
425
|
292
|
281
|
30
|
М20
|
59
|
-11
|
7412
|
64
|
-01
|
7436
|
30
|
292
|
|
250
|
1,0 (10)
|
487
|
278
|
336
|
25
|
22
|
14
|
70
|
551-01.018-12
|
3695747413
|
72
|
551-01.021-02
|
36 9574 7437
|
25
|
278
|
|
1,6 (16)
|
528
|
305
|
341
|
32
|
М24
|
76
|
-13
|
7414
|
207
|
83
|
-03
|
7438
|
32
|
305
|
|
300
|
1,0 (10)
|
555
|
297
|
± 3
|
391
|
30
|
22
|
16
|
100
|
551-01.018-14
|
36 9574 7415
|
257
|
103
|
551-01.021-04
|
36 9574 7439
|
30
|
297
|
|
1,6 (16)
|
583
|
310
|
396
|
40
|
М24
|
115
|
-15
|
7416
|
117
|
-05
|
7440
|
40
|
310
|
|
350
|
1,0 (10)
|
633
|
307
|
441
|
30
|
22
|
18
|
138
|
551-01.018-16
|
36 9574 7417
|
307
|
142
|
551-01.021-06
|
36 9574 7441
|
30
|
307
|
|
1,6 (16)
|
660
|
360
|
447
|
50
|
М24
|
317
|
-17
|
7418
|
320
|
-07
|
7442
|
50
|
360
|
|
400
|
1,0 (10)
|
720
|
325
|
496
|
30
|
26
|
194
|
551-01.018-18
|
36 9574 7419
|
357
|
197
|
551-01.021-08
|
36 9574 7443
|
30
|
325
|
|
1,6 (16)
|
745
|
388
|
505
|
50
|
М27
|
322
|
-19
|
7420
|
326
|
-09
|
7444
|
50
|
388
|
|
450
|
1,0 (10)
|
805
|
428
|
551
|
45
|
26
|
20
|
288
|
551-01.018-20
|
36 9574 7421
|
427
|
295
|
551-01.021-10
|
36 9574 7445
|
45
|
428
|
|
1,6 (16)
|
834
|
455
|
555
|
65
|
М27
|
409
|
-21
|
7422
|
416
|
-11
|
7446
|
65
|
455
|
|
500
|
1,0 (10)
|
865
|
495
|
601
|
60
|
26
|
22
|
442
|
551-01.018-22
|
36 9574 7423
|
482
|
451
|
551-01.021-12
|
36 9574 7447
|
60
|
495
|
|
1,6 (16)
|
965
|
468
|
610
|
80
|
М27
|
563
|
-23
|
7424
|
573
|
-13
|
7448
|
80
|
468
|
Таблица 10
Основные параметры и размеры
компенсаторов, тип К010, исполнение 07, 08
Размеры в мм
|
Условный проход Dу
|
Условное давление Ру, МПа
(кгс/см2)
|
н
|
L
|
D1
|
b
|
d
|
п
|
Амплитуда
|
Исполнение
|
|
Но-мин.
|
Пред. откл.
|
хода 
|
сдвига 
|
поворота 
|
07
|
08
|
|
Масса, кг
|
Обозначение
|
Код ОКП
|
d1
|
Масса, кг
|
Обозначение
|
Код ОКП
|
|
100
|
1,0 (10)
|
265
|
240
|
± 2
|
158
|
38
|
15
|
8
|
-
|
-
|
10°
|
16
|
551-01.022
|
36 9574 7601
|
80
|
24
|
551-01.023
|
36 9574 7621
|
|
1,6 (16)
|
280
|
255
|
167
|
46
|
17
|
10
|
23
|
-01
|
7602
|
29
|
-01
|
7622
|
|
125
|
1,0 (10)
|
290
|
260
|
183
|
40
|
15
|
21
|
551-01.022-02
|
36 9574 7603
|
105
|
31
|
551-01.023-02
|
36 9574 7623
|
|
1,6 (16)
|
303
|
275
|
187
|
48
|
17
|
29
|
-03
|
7604
|
37
|
-03
|
7624
|
|
150
|
1,0 (10)
|
332
|
265
|
208
|
40
|
15
|
12
|
31
|
551-01.022-04
|
36 9574 7605
|
130
|
36
|
551-01.023-04
|
36 9574 7625
|
|
1,6 (16)
|
340
|
280
|
217
|
48
|
17
|
34
|
-05
|
7606
|
43
|
-05
|
7626
|
|
200
|
1,0 (10)
|
410
|
270
|
273
|
40
|
48
|
551-01.022-06
|
36 9574 7607
|
157
|
48
|
551-01.029
|
36 9574 7627
|
|
1,6 (16)
|
428
|
322
|
281
|
45
|
М20
|
63
|
-07
|
7608
|
66
|
-01
|
7628
|
|
250
|
1,0 (10)
|
488
|
308
|
336
|
40
|
22
|
14
|
76
|
551-01.022-08
|
36 9574 7609
|
207
|
77
|
551-01.029-02
|
36 9574 7629
|
|
1,6 (16)
|
528
|
335
|
341
|
47
|
М24
|
82
|
-09
|
7610
|
86
|
-03
|
7630
|
|
300
|
1,0 (10)
|
555
|
327
|
± 3
|
391
|
45
|
22
|
16
|
107
|
551-01.022-10
|
36 9574 7611
|
257
|
110
|
551-01.029-04
|
36 9574 7631
|
|
1,6 (16)
|
583
|
352
|
396
|
55
|
М24
|
230
|
-11
|
7612
|
124
|
-05
|
7632
|
|
350
|
1,0 (10)
|
633
|
337
|
441
|
45
|
22
|
18
|
142
|
551-01.022-12
|
36 9574 7613
|
307
|
149
|
551-01.029-06
|
36 9574 7633
|
|
1,6 (16)
|
660
|
390
|
447
|
65
|
М24
|
325
|
-13
|
7614
|
329
|
-07
|
7634
|
|
400
|
1,0 (10)
|
720
|
355
|
496
|
45
|
26
|
202
|
551-01.022-14
|
36 9574 7615
|
357
|
206
|
551-01.029-08
|
36 9574 7635
|
|
1,6 (16)
|
745
|
418
|
505
|
65
|
М27
|
332
|
-15
|
7616
|
336
|
-09
|
7636
|
|
450
|
1,0 (10)
|
805
|
458
|
551
|
60
|
26
|
20
|
296
|
551-01.022-16
|
36 9574 7617
|
427
|
301
|
551-01.029-10
|
36 9574 7637
|
|
1,6 (16)
|
834
|
485
|
555
|
80
|
М27
|
419
|
-17
|
7618
|
426
|
-11
|
7638
|
|
500
|
1,0 (10)
|
865
|
525
|
601
|
75
|
26
|
432
|
551-01.022-18
|
36 9574 7619
|
482
|
460
|
551-01.029-12
|
36 9574 7639
|
|
1,6 (16)
|
965
|
498
|
610
|
95
|
М27
|
22
|
575
|
-19
|
7620
|
585
|
-13
|
7640
|
Таблица 11
Основные параметры и размеры
компенсаторов, тип К010, исполнение 09, 10, 11
Размеры в мм
|
Условный проход Dу
|
Условное давление Ру, МПа
(кгс/см2)
|
н
|
L
|
D1
|
b
|
d
|
п
|
Амплитуда
|
Масса, кг
|
Исполнение
|
|
Номин.
|
Пред. откл.
|
хода 
|
сдвига 
|
поворота 
|
09
|
10
|
11
|
|
Обозначение
|
Код ОКП
|
Обозначение
|
Код ОКП
|
Обозначение
|
Код ОКП
|
|
100
|
1,0 (10)
|
265
|
200
|
± 2
|
158
|
18
|
15
|
8
|
-
|
-
|
10°
|
14
|
551-01.024
|
36 9574 7510
|
551-01.025
|
36 9574 7523
|
551-01.026
|
36 9574 7536
|
|
1,6 (16)
|
280
|
215
|
167
|
26
|
17
|
10
|
21
|
-01
|
7511
|
-01
|
7524
|
-01
|
7537
|
|
125
|
1,0 (10)
|
290
|
220
|
183
|
20
|
15
|
19
|
551-01.024-02
|
36 9574 7512
|
551-01.025-02
|
36 9574 7525
|
551-01.026-02
|
36 9574 7538
|
|
1,6 (16)
|
303
|
235
|
187
|
28
|
17
|
27
|
-03
|
7513
|
-03
|
7526
|
-03
|
7539
|
|
150
|
1,0 (10)
|
332
|
225
|
208
|
20
|
15
|
12
|
29
|
551-01.024-04
|
36 9574 7514
|
551-01.025-04
|
36 9574 7527
|
551-01.026-04
|
36 9574 7540
|
|
1,6 (16)
|
340
|
240
|
217
|
28
|
17
|
32
|
-05
|
7515
|
-05
|
7528
|
-05
|
7541
|
|
200
|
1,0 (10)
|
410
|
273
|
25
|
49
|
551-01.024-06
|
36 9574 7516
|
551-01.025-06
|
36 9574 7529
|
551-01.026-06
|
36 9574 7542
|
|
250
|
1,0 (10)
|
488
|
278
|
336
|
22
|
14
|
76
|
551-01.024-07
|
36 9574 7517
|
551-01.025-07
|
36 9574 7530
|
551-01.026-07
|
36 9574 7543
|
|
300
|
1,0 (10)
|
555
|
297
|
± 3
|
391
|
30
|
16
|
106
|
551-01.024-08
|
36 9574 7518
|
551-01.025-08
|
36 9574 7531
|
551-01.026-08
|
36 9574 7544
|
|
350
|
1,0 (10)
|
633
|
307
|
441
|
18
|
151
|
551-01.024-09
|
36 9574 7519
|
551-01.025-09
|
36 9574 7532
|
551-01.026-09
|
36 9574 7545
|
|
400
|
1,0 (10)
|
720
|
325
|
496
|
26
|
194
|
551-01.024-10
|
36 9574 7520
|
551-01.025-10
|
36 9574 7533
|
551-01.026-10
|
36 9574 7546
|
|
450
|
1,0 (10)
|
805
|
428
|
551
|
45
|
20
|
310
|
551-01.024-11
|
36 9574 7521
|
551-01.025-11
|
36 9574 7534
|
551-01.026-11
|
36 9574 7547
|
|
500
|
1,0 (10)
|
865
|
495
|
601
|
60
|
423
|
551-01.024-12
|
36 9574 7522
|
551-01.025-12
|
36 9574 7535
|
551-01.026-12
|
36 9574 7548
|
Таблица 12
Основные параметры и размеры
компенсаторов, тип К011, исполнение 01, 02
Размеры в мм
|
Условный проход Dу
|
Условное давление Ру, МПа
(кгс/см2)
|
н
|
L
|
D1
|
b
|
d
|
п
|
Амплитуда
|
Исполнение
|
|
Номин.
|
Пред. откл.
|
хода 
|
сдвига 
|
поворота 
|
01
|
02
|
|
Масса, кг
|
Обозначение
|
Код ОКП
|
d1
|
Масса, кг
|
Обозначение
|
Код ОКП
|
|
65
|
0,25 (2,5)
|
212
|
250
|
± 2
|
123
|
22
|
15
|
6
|
-
|
10
|
10°
|
9
|
551-01.031
|
36 9574 3111
|
50
|
10
|
551-01.037
|
36 9574 3132
|
|
0,63 (6,3)
|
-01
|
3112
|
-01
|
3133
|
|
80
|
0,25 (2,5)
|
227
|
207
|
138
|
8
|
7
|
10
|
551-01.031-02
|
36 9574 3113
|
60
|
11
|
551-01.037-02
|
36 9574 3134
|
|
0,63 (6,3)
|
-03
|
3114
|
-03
|
3135
|
|
100
|
0,25 (2,5)
|
247
|
158
|
11
|
551-01.031-04
|
36 9574 3115
|
80
|
13
|
551-01.037-04
|
36 9574 3136
|
|
0,63 (6,3)
|
-05
|
3116
|
-05
|
3137
|
|
125
|
0,25 (2,5)
|
282
|
230
|
183
|
25
|
10
|
16
|
551-01.031-06
|
36 9574 3117
|
105
|
18
|
551-01.037-06
|
36 9574 3138
|
|
0,63 (6,3)
|
17
|
-07
|
3118
|
19
|
-07
|
3139
|
|
150
|
0,25 (2,5)
|
312
|
235
|
208
|
12
|
20
|
551-01.031-08
|
36 9574 3119
|
130
|
22
|
551-01.037-08
|
36 9574 3140
|
|
0,63 (6,3)
|
-09
|
3120
|
23
|
-09
|
3141
|
|
200
|
0,25 (2,5)
|
372
|
240
|
264
|
28
|
551-01.031-10
|
36 9574 3121
|
157
|
29
|
551-01.032
|
36 9574 3142
|
|
0,63 (6,3)
|
30
|
-11
|
3122
|
32
|
-01
|
3143
|
|
250
|
0,25 (2,5)
|
432
|
278
|
327
|
17
|
14
|
47
|
551-01.031-12
|
36 9574 3123
|
207
|
49
|
551-01.032-02
|
36 9574 3144
|
|
0,63 (6,3)
|
50
|
-13
|
3124
|
52
|
-03
|
3145
|
|
300
|
0,25 (2,5)
|
492
|
297
|
± 3
|
386
|
30
|
22
|
52
|
551-01.031-14
|
36 9574 3125
|
257
|
55
|
551-01.032-04
|
36 9574 3146
|
|
0,63 (6,3)
|
56
|
-15
|
3126
|
59
|
-05
|
3147
|
|
350
|
0,25 (2,5)
|
537
|
307
|
436
|
16
|
58
|
551-01.031-16
|
36 9574 3127
|
307
|
61
|
551-01.032-06
|
36 9574 3148
|
|
0,63 (6,3)
|
65
|
-17
|
3128
|
68
|
-07
|
3149
|
|
400
|
0,63 (6,3)
|
587
|
326
|
486
|
72
|
551-01.031-18
|
36 9574 3129
|
357
|
76
|
551-01.032-08
|
36 9574 3150
|
|
450
|
0,63 (6,3)
|
737
|
408
|
536
|
35
|
18
|
147
|
551-01.031-19
|
36 9574 3130
|
426
|
154
|
551-01.032-09
|
36 9574 3151
|
|
500
|
0,63 (6,3)
|
797
|
450
|
591
|
37
|
20
|
164
|
551-01.031-20
|
36 9574 3131
|
480
|
174
|
551-01.032-10
|
36 9574 3152
|
Таблица 13
Основные параметры и размеры
компенсаторов, тип К011, исполнение 03, 04
Размеры в мм
|
Условный проход Dу
|
Условное давление Ру, МПа
(кгс/см2)
|
н
|
L
|
D1
|
D2
|
D3
|
D4
|
D5
|
b
|
d
|
п
|
Амплитуда
|
Исполнение
|
|
Номин.
|
Пред. откл.
|
хода 
|
сдвига 
|
поворота 
|
03
|
04
|
|
Масса, кг
|
Обозначение
|
Код ОКП
|
d1
|
Масса, кг
|
Обозначение
|
Код ОКП
|
|
65
|
1,0 (10)
|
232
|
225
|
± 2
|
137
|
94
|
110
|
94
|
110
|
24
|
17
|
8
|
-
|
10
|
10°
|
13
|
551-01.033
|
36 9574 3301
|
50
|
14
|
551-01.043
|
36 9574 3310
|
|
1,6 (16)
|
-01
|
3302
|
-01
|
3311
|
|
80
|
1,0 (10)
|
242
|
210
|
152
|
105
|
121
|
105
|
121
|
7
|
551-01.033-02
|
36 9574 3303
|
60
|
551-01.043-02
|
36 9574 3312
|
|
1,6 (16)
|
14
|
-03
|
3304
|
15
|
-03
|
3313
|
|
100
|
1,0 (10)
|
252
|
158
|
118
|
134
|
118
|
134
|
15
|
551-01.033-04
|
36 9574 3305
|
80
|
551-01.043-04
|
36 9574 3314
|
|
125
|
1,0 (10)
|
282
|
230
|
183
|
143
|
159
|
143
|
159
|
26
|
10
|
18
|
551-01.033-05
|
36 9574 3306
|
105
|
20
|
551-01.043-05
|
36 9574 3315
|
|
150
|
1,0 (10)
|
312
|
235
|
208
|
169
|
185
|
169
|
185
|
12
|
21
|
551-01 033-06
|
36 9574 3307
|
130
|
24
|
551-01.043-06
|
36 9574 3316
|
|
200
|
1,0 (10)
|
395
|
246
|
273
|
227
|
243
|
227
|
243
|
17
|
40
|
551-01.033-07
|
36 9574 3308
|
157
|
41
|
551-01.034
|
36 9574 3317
|
|
250
|
1,0 (10)
|
457
|
283
|
336
|
280
|
300
|
280
|
300
|
22
|
14
|
52
|
551-01.033-08
|
36 9574 3309
|
207
|
54
|
551-01.034-01
|
36 9574 3318
|
Таблица 14
Основные параметры и размеры
компенсаторов, тип К011, исполнение 05, 06
Размеры в мм
|
Условный проход Dу
|
Условное давление Ру, МПа
(кгс/см2)
|
н
|
L
|
D1
|
b
|
d
|
п
|
Амплитуда
|
Исполнение
|
|
Номин.
|
Пред. откл.
|
хода 
|
сдвига 
|
поворота 
|
05
|
06
|
|
Масса, кг
|
Обозначение
|
Код ОКП
|
d1
|
Масса, кг
|
Обозначение
|
Код ОКП
|
|
65
|
0,25 (2,5)
|
212
|
250
|
± 2
|
123
|
22
|
15
|
6
|
-
|
10
|
10°
|
9
|
551-01.035
|
36 9574 3401
|
50
|
10
|
551-01.038
|
36 9574 3422
|
|
0,63 (6,3)
|
-01
|
3402
|
-01
|
3423
|
|
80
|
0,25 (2,5)
|
227
|
207
|
138
|
8
|
7
|
10
|
551-01.035-02
|
36 9574 3403
|
60
|
11
|
551-01.038-02
|
36 9574 3424
|
|
0,63 (6,3)
|
-03
|
3404
|
-03
|
3425
|
|
100
|
0,25 (2,5)
|
247
|
158
|
11
|
551-01.035-04
|
36 9574 3405
|
80
|
13
|
551-01.038-04
|
36 9574 3426
|
|
0,63 (6,3)
|
-05
|
3406
|
-05
|
3427
|
|
125
|
0,25 (2,5)
|
282
|
230
|
183
|
25
|
10
|
16
|
551-01.035-06
|
36 9574 3407
|
105
|
18
|
551-01.038-06
|
36 9574 3428
|
|
0,63 (6,3)
|
17
|
-07
|
3408
|
19
|
-07
|
3429
|
|
150
|
0,25 (2,5)
|
312
|
235
|
208
|
12
|
20
|
551-01.035-08
|
36 9574 3409
|
130
|
22
|
551-01.038-08
|
36 9574 3430
|
|
0,63 (6,3)
|
-09
|
3410
|
23
|
-09
|
3431
|
|
200
|
0,25 (2,5)
|
372
|
240
|
264
|
28
|
551-01.035-10
|
36 9574 3411
|
157
|
29
|
551-01.036
|
36 9574 3432
|
|
0,63 (6,3)
|
30
|
-11
|
3412
|
32
|
-01
|
3433
|
|
250
|
0,25 (2,5)
|
432
|
278
|
327
|
17
|
14
|
47
|
551-01.035-12
|
36 9574 3413
|
207
|
49
|
551-01.036-02
|
36 9574 3434
|
|
0,63 (6,3)
|
50
|
-13
|
3414
|
52
|
-03
|
3435
|
|
300
|
0,25 (2,5)
|
492
|
297
|
± 3
|
386
|
30
|
22
|
52
|
551-01.035-14
|
36 9574 3415
|
257
|
55
|
551-01.036-04
|
36 9574 3436
|
|
0,63 (6,3)
|
56
|
-15
|
3416
|
59
|
-05
|
3437
|
|
350
|
0,25 (2,5)
|
537
|
307
|
436
|
16
|
58
|
551-01.035-16
|
36 9574 3417
|
307
|
61
|
551-01.036-06
|
36 9574 3438
|
|
0,63 (6,3)
|
65
|
-17
|
3418
|
68
|
-07
|
3439
|
|
400
|
0,63 (6,3)
|
587
|
326
|
486
|
72
|
551-01.035-18
|
36 9574 3419
|
357
|
76
|
551-01.036-08
|
36 9574 3440
|
|
450
|
0,63 (6,3)
|
737
|
408
|
536
|
35
|
18
|
147
|
551-01.035-19
|
36 9574 3420
|
426
|
154
|
551-01.036-09
|
36 9574 3441
|
|
500
|
0,63 (6,3)
|
797
|
450
|
591
|
37
|
20
|
164
|
551-01.035-20
|
36 9574 3421
|
480
|
174
|
551-01.036-10
|
36 9574 3442
|
Таблица 15
Основные параметры и размеры
компенсаторов, тип К011, исполнение 07, 08
Размеры в мм
|
Условный проход Dу
|
Условное давление Ру, МПа
(кгс/см2)
|
н
|
L
|
D1
|
b
|
d
|
п
|
Амплитуда
|
Исполнение
|
|
Номин.
|
Пред. откл.
|
хода 
|
сдвига 
|
поворота 
|
07
|
08
|
|
Масса, кг
|
Обозначение
|
Код ОКП
|
d1
|
Масса, кг
|
Обозначение
|
Код ОКП
|
|
100
|
0,25 (2,5)
|
247
|
240
|
± 2
|
158
|
38
|
15
|
8
|
-
|
7
|
10°
|
12
|
551-01.039
|
36 9574 3601
|
247
|
14
|
551-01.040
|
36 9574 3610
|
|
0,63 (6,3)
|
-01
|
3602
|
-01
|
3611
|
|
1,0 (10)
|
13
|
-02
|
3603
|
15
|
-02
|
3612
|
|
125
|
0,25 (2,5)
|
282
|
260
|
183
|
40
|
10
|
17
|
551-01.039-03
|
36 9574 3604
|
282
|
19
|
551-01.040-03
|
36 9574 3613
|
|
0,63 (6,3)
|
-04
|
3605
|
20
|
-04
|
3614
|
|
1,0 (10)
|
18
|
-05
|
3606
|
-05
|
3615
|
|
150
|
0,25 (2,5)
|
312
|
265
|
208
|
12
|
20
|
551-01.039-06
|
36 9574 3607
|
312
|
23
|
551-01.040-06
|
36 9574 3616
|
|
0,63 (6,3)
|
-07
|
3608
|
-07
|
3617
|
|
1,0 (10)
|
21
|
-08
|
3609
|
24
|
-08
|
3618
|
Таблица 16
Основные параметры и размеры
компенсаторов, тип К011, исполнение 09, 10, 11
Размеры в мм
|
Условный проход Dу
|
Условное давление Ру,
МПа (кгс/см2)
|
н
|
L
|
D1
|
b
|
d
|
п
|
Амплитуда
|
Масса, кг
|
Исполнение
|
|
Ном ин.
|
Пред. откл.
|
хода 
|
сдвига 
|
поворота 
|
09
|
10
|
11
|
|
Обозначение
|
Код ОКП
|
Обозначение
|
Код ОКП
|
Обозначение
|
Код ОКП
|
|
100
|
0,63 (6,3)
|
247
|
202
|
± 2
|
158
|
18
|
15
|
8
|
-
|
7
|
10°
|
11
|
551-01.041
|
36 9574 3501
|
551-01.044
|
36 9574 3507
|
551-01.042
|
36 9574 3513
|
|
1,0 (10)
|
-01
|
3502
|
-01
|
3508
|
-01
|
3514
|
|
125
|
0,63 (6,3)
|
282
|
228
|
183
|
20
|
10
|
15
|
551-01.041-02
|
36 9574 3503
|
551-01.044-02
|
36 9574 3509
|
551-01.042-02
|
36 9574 3515
|
|
1,0 (10)
|
16
|
-03
|
3504
|
-03
|
3510
|
-03
|
3516
|
|
150
|
0,63 (6,3)
|
312
|
223
|
208
|
12
|
18
|
551-01.041-04
|
36 9574 3505
|
551-01.044-04
|
36 9574 3511
|
551-01.042-04
|
36 9574 3517
|
|
1,0 (10)
|
19
|
-05
|
3506
|
-05
|
3512
|
-05
|
3518
|
Таблица 17
Основные параметры и размеры
компенсаторов, тин K111, исполнение 01
Размеры в мм
|
Условный проход Dу
|
Условное давление Ру, МПа
(кгс/см2)
|
н
|
L
|
D1
|
b
|
d
|
п
|
Амплитуда
|
Масса, кг
|
Обозначение
|
Код ОКП
|
|
Номин.
|
Пред. откл.
|
хода 
|
сдвига 
|
поворота 
|
|
65
|
0,25 (2,5)
|
187
|
213
|
± 2
|
123
|
18
|
15
|
6
|
15
|
10
|
10°
|
5
|
551-01.051
|
36 9574 1001
|
|
0,63 (6,3)
|
6
|
-01
|
1002
|
|
1,0 (10)
|
-02
|
1003
|
|
1,6 (16)
|
202
|
225
|
132
|
24
|
17
|
8
|
8
|
-03
|
1004
|
|
80
|
0,25 (2,5)
|
200
|
138
|
18
|
15
|
7
|
5
|
551-01.051-04
|
36 9574 1005
|
|
0,63 (6,3)
|
-05
|
1006
|
|
1,0 (10)
|
6
|
-06
|
1007
|
|
1,6 (16)
|
217
|
215
|
147
|
26
|
17
|
9
|
-07
|
1008
|
|
100
|
0,25 (2,5)
|
222
|
200
|
158
|
18
|
15
|
7
|
551-01.051-08
|
36 9574 1009
|
|
0,63 (6,3)
|
-09
|
1010
|
|
1,0 (10)
|
9
|
-10
|
1011
|
|
1,6 (16)
|
237
|
215
|
167
|
26
|
17
|
10
|
13
|
-11
|
1012
|
|
125
|
0,25 (2,5)
|
247
|
220
|
183
|
20
|
15
|
9
|
551-01.051-12
|
36 9574 1013
|
|
0,63 (6,3)
|
10
|
-13
|
1014
|
|
1,0 (10)
|
21
|
-14
|
1015
|
|
1,6 (16)
|
257
|
235
|
187
|
28
|
17
|
-15
|
1016
|
|
150
|
0,25 (2,5)
|
272
|
225
|
208
|
20
|
15
|
12
|
20
|
11
|
551-01 051-16
|
36 9574 1017
|
|
0,63 (6,3)
|
12
|
-17
|
1018
|
|
1,0 (10)
|
-18
|
1019
|
|
1,6 (16)
|
287
|
240
|
217
|
28
|
17
|
16
|
-19
|
1020
|
|
200
|
0,25 (2,5)
|
327
|
264
|
25
|
15
|
20
|
551-01.051-20
|
36 9574 1021
|
|
0,63 (6,3)
|
22
|
-21
|
1022
|
|
1,0 (10)
|
342
|
273
|
17
|
25
|
-22
|
1023
|
|
250
|
0,25 (2,5)
|
397
|
280
|
327
|
14
|
28
|
551-01.051-23
|
36 9574 1024
|
|
0,63 (6,3)
|
30
|
-24
|
1025
|
|
1,0 (10)
|
412
|
336
|
22
|
36
|
-25
|
1026
|
|
300
|
0,25 (2,5)
|
462
|
295
|
± 3
|
386
|
30
|
30
|
41
|
551-01.051-26
|
36 9574 1027
|
|
0,63 (6,3)
|
44
|
-27
|
1028
|
|
1,0 (10)
|
467
|
391
|
16
|
49
|
-28
|
1029
|
|
350
|
0,25 (2,5)
|
512
|
305
|
436
|
48
|
551-01.051-29
|
36 9574 1030
|
|
0,63 (6,3)
|
54
|
-30
|
1031
|
|
1,0 (10)
|
517
|
441
|
18
|
60
|
-31
|
1032
|
|
400
|
0,25 (2,5)
|
562
|
325
|
486
|
16
|
54
|
551-01.051-32
|
36 9574 1033
|
|
0,63 (6,3)
|
61
|
-33
|
1034
|
|
1,0 (10)
|
577
|
496
|
26
|
18
|
74
|
-34
|
1035
|
|
450
|
0,25 (2,5)
|
612
|
400
|
536
|
22
|
66
|
551-01.051-35
|
36 9574 1036
|
|
0,63 (6,3)
|
79
|
-36
|
1037
|
|
1,0 (10)
|
632
|
551
|
26
|
20
|
91
|
-37
|
1038
|
|
500
|
0,25 (2,5)
|
667
|
440
|
591
|
32
|
22
|
79
|
551-01.051-38
|
36 9574 1039
|
|
0,63 (6,3)
|
91
|
-39
|
1040
|
|
1,0 (10)
|
682
|
601
|
26
|
103
|
-40
|
1041
|
Таблица 18
Основные параметры и размеры
компенсаторов, тип K111, исполнение 02
Размеры в мм
|
Условный проход Dу
|
Условное давление Ру, МПа
(кгс/см2)
|
н
|
L
|
D1
|
b
|
d
|
п
|
Амплитуда
|
Масса, кг
|
d1
|
Обозначение
|
Код ОКП
|
|
Номин.
|
Пред. откл.
|
хода 
|
сдвига 
|
поворота 
|
|
65
|
0,25 (2,5)
|
187
|
225
|
± 2
|
123
|
24
|
15
|
6
|
15
|
10
|
10°
|
9
|
50
|
551-01.057
|
36 9574 1042
|
|
0,63 (6,3)
|
-01
|
1043
|
|
1,0 (10)
|
-02
|
1044
|
|
1,6 (16)
|
202
|
132
|
17
|
8
|
10
|
-03
|
1045
|
|
80
|
0,25 (2,5)
|
215
|
138
|
26
|
15
|
7
|
60
|
551-01.057-04
|
36 9574 1046
|
|
0,63 (6,3)
|
-05
|
1047
|
|
1,0 (10)
|
11
|
-06
|
1048
|
|
1,6 (16)
|
217
|
147
|
17
|
-07
|
1049
|
|
100
|
0,25 (2,5)
|
222
|
158
|
15
|
13
|
80
|
551-01.057-08
|
36 9574 1050
|
|
0,63 (6,3)
|
14
|
-09
|
1051
|
|
1,0 (10)
|
-10
|
1052
|
|
1,6 (16)
|
237
|
167
|
17
|
10
|
15
|
-11
|
1053
|
|
125
|
0,25 (2,5)
|
247
|
235
|
183
|
28
|
15
|
21
|
105
|
551-01.057-12
|
36 9574 1054
|
|
0,63 (6,3)
|
22
|
-13
|
1055
|
|
1,0 (10)
|
-14
|
1056
|
|
1,6 (16)
|
257
|
187
|
17
|
23
|
-15
|
1057
|
|
150
|
0,25 (2,5)
|
272
|
240
|
208
|
15
|
12
|
20
|
17
|
130
|
551-01.057-16
|
36 9574 1058
|
|
0,63 (6,3)
|
-17
|
1059
|
|
1,0 (10)
|
18
|
-18
|
1060
|
|
1,6 (16)
|
287
|
217
|
17
|
19
|
-19
|
1061
|
|
200
|
0,25 (2,5)
|
327
|
264
|
25
|
15
|
21
|
160
|
551-01.052
|
36 9574 1062
|
|
0,63 (6,3)
|
23
|
-01
|
1063
|
|
1,0 (10)
|
342
|
273
|
17
|
26
|
-02
|
1064
|
|
250
|
0,25 (2,5)
|
397
|
280
|
327
|
14
|
30
|
207
|
551-01.052-03
|
36 9574 1065
|
|
0,63 (6,3)
|
32
|
-04
|
1066
|
|
1,0 (10)
|
412
|
336
|
22
|
38
|
-05
|
1067
|
|
300
|
0,25 (2,5)
|
462
|
295
|
± 3
|
386
|
30
|
30
|
43
|
257
|
551-01.052-06
|
36 9574 1068
|
|
0,63 (6,3)
|
47
|
-07
|
1069
|
|
1,0 (10)
|
467
|
391
|
16
|
51
|
-08
|
1070
|
|
350
|
0,25(2,5)
|
512
|
305
|
436
|
307
|
551-01.052-09
|
36 9574 1071
|
|
0,63 (6,3)
|
57
|
-10
|
1072
|
|
1,0 (10)
|
517
|
441
|
63
|
-11
|
1073
|
|
400
|
0,25 (2,5)
|
562
|
325
|
486
|
58
|
357
|
551-01.052-12
|
36 9574 1074
|
|
0,63 (6,3)
|
65
|
-13
|
1075
|
|
1,0 (10)
|
577
|
496
|
26
|
18
|
78
|
-14
|
1076
|
|
450
|
0,25(2,5)
|
612
|
400
|
536
|
22
|
73
|
424
|
551-01.052-15
|
36 9574 1077
|
|
0,63 (6,3)
|
86
|
-16
|
1078
|
|
1,0 (10)
|
632
|
551
|
26
|
20
|
98
|
-17
|
1079
|
|
500
|
0,25 (2,5)
|
667
|
440
|
591
|
32
|
22
|
89
|
479
|
551-01.052-18
|
36 9574 1080
|
|
0,63 (6,3)
|
101
|
-19
|
1081
|
|
1,0 (10)
|
682
|
601
|
26
|
113
|
-20
|
1082
|
Таблица 19
Основные параметры и размеры
компенсаторов, тип K111, исполнение 03, 04
Размеры в мм
|
Условный проход Dу
|
Условное давление Ру, МПа
(кгс/см2)
|
н
|
L
|
D1
|
D2
|
D3
|
D4
|
D5
|
b
|
d
|
п
|
Амплитуда
|
Исполнение
|
|
|
Номин.
|
Пред. откл.
|
|
|
хода 
|
сдвига 
|
поворота 
|
03
|
04
|
|
|
Масса, кг
|
Обозначение
|
Код ОКП
|
d1
|
Масса, кг
|
Обозначение
|
Код ОКП
|
|
|
65
|
0,25 (2,5)
|
207
|
225
|
± 2
|
137
|
94
|
110
|
94
|
110
|
24
|
17
|
8
|
15
|
10
|
10°
|
9
|
551-01.053
|
36 9574 1301
|
50
|
10
|
551-01.064
|
36 9574 1312
|
|
|
0,63 (6,3)
|
-01
|
1302
1303
|
11
|
-01
|
1313
|
|
|
1,0 (10)
|
-02
|
-02
|
1314
|
|
|
80
|
0,25 (2,5)
|
222
|
210
|
152
|
105
|
121
|
105
|
121
|
7
|
551-01.053-03
|
369574 1304
|
60
|
551-01.064-03
|
36 9574 1315
|
|
|
0,63 (6,3)
|
10
|
-04
|
1305
1306
|
-04
|
1316
|
|
|
1,0 (10)
|
-05
|
-05
|
1317
|
|
|
100
|
1,0 (10)
|
158
|
118
|
134
|
118
|
134
|
15
|
551-01.053-06
|
36 9574 1307
|
80
|
12
|
551-01.064-06
|
36 9574 1318
|
|
|
125
|
1,0 (10)
|
247
|
230
|
183
|
143
|
159
|
143
|
159
|
26
|
10
|
13
|
551-01.053-07
|
36 9574 1308
|
105
|
15
|
551-01.064-07
|
36 9574 1319
|
|
|
150
|
1,0 (10)
|
272
|
235
|
208
|
169
|
185
|
169
|
185
|
12
|
20
|
551-01.053-08
|
36 9574 1309
|
130
|
16
|
551-01.064-08
|
36 9574 1320
|
|
|
200
|
1,0 (10)
|
342
|
240
|
273
|
227
|
243
|
227
|
243
|
17
|
26
|
551-01.053-09
|
36 9574 1310
|
157
|
27
|
551-01.054
|
36 9574 1321
|
|
|
250
|
1,0 (10)
|
412
|
280
|
336
|
280
|
300
|
280
|
300
|
22
|
14
|
39
|
551-01.053-10
|
36 9574 1311
|
207
|
41
|
551-01.054-01
|
36 9574 1322
|
|
Таблица 20
Основные параметры и размеры
компенсаторов, тип K111, исполнение 05
Размеры в мм
|
Условный проход Dу
|
Условное давление Ру, МПа
(кгс/см2)
|
н
|
L
|
D1
|
b
|
d
|
п
|
Амплитуда
|
Масса, кг
|
Обозначение
|
Код ОКП
|
|
Номин.
|
Пред. откл.
|
хода 
|
сдвига 
|
поворота 
|
|
65
|
0,25 (2,5)
|
187
|
213
|
± 2
|
123
|
18
|
15
|
6
|
15
|
10
|
10°
|
5
|
551-01.055
|
36 9574 1401
|
|
0,63 (6,3)
|
-01
|
1402
|
|
1,0 (10)
|
6
|
-02
|
1403
|
|
1,6 (16)
|
202
|
225
|
132
|
24
|
17
|
8
|
7
|
8
|
-03
|
1404
|
|
80
|
0,25 (2,5)
|
200
|
138
|
18
|
15
|
5
|
551-01.055-04
|
36 9574 1405
|
|
0,63 (6,3)
|
6
|
-05
|
1406
|
|
1,0 (10)
|
-06
|
1407
|
|
1,6 (16)
|
217
|
215
|
147
|
26
|
17
|
9
|
-07
|
1408
|
|
100
|
0,25 (2,5)
|
222
|
200
|
158
|
18
|
15
|
7
|
551-01.055-08
|
36 9574 1409
|
|
0,63 (6,3)
|
-09
|
1410
|
|
1,0 (10)
|
8
|
-10
|
1411
|
|
1,6 (16)
|
237
|
215
|
167
|
26
|
17
|
10
|
13
|
-11
|
1412
|
|
125
|
0,25 (2,5)
|
247
|
220
|
183
|
20
|
15
|
9
|
551-01.055-12
|
36 9574 1413
|
|
0,63 (6,3)
|
10
|
-13
|
1414
|
|
1,0 (10)
|
-14
|
1415
|
|
1,6 (16)
|
257
|
235
|
187
|
28
|
17
|
21
|
-15
|
1416
|
|
150
|
0,25 (2,5)
|
272
|
225
|
208
|
20
|
15
|
12
|
20
|
11
|
551-01.055-16
|
36 9574 1417
|
|
0,63 (6,3)
|
12
|
-17
|
1418
|
|
1,0 (10)
|
-18
|
1419
|
|
1,6 (16)
|
287
|
240
|
217
|
28
|
17
|
16
|
-19
|
1420
|
|
200
|
0,25 (2,5)
|
327
|
264
|
25
|
15
|
20
|
551-01.055-20
|
369574 1421
|
|
0,63 (6,3)
|
22
|
-21
|
1422
|
|
1,0 (10)
|
342
|
273
|
17
|
25
|
-22
|
1423
|
|
250
|
0,25 (2,5)
|
397
|
280
|
327
|
14
|
28
|
551-01.055-23
|
36 9574 1424
|
|
0,63 (6,3)
|
30
|
-24
|
1425
|
|
1,0 (10)
|
412
|
336
|
22
|
36
|
-25
|
1426
|
|
300
|
0,25 (2,5)
|
462
|
295
|
± 3
|
386
|
30
|
30
|
41
|
551-01.055-26
|
36 9574 1427
|
|
0,63 (6,3)
|
44
|
-27
|
1498
|
|
1,0 (10)
|
467
|
391
|
16
|
49
|
-28
|
1429
|
|
350
|
0,25 (2,5)
|
512
|
305
|
436
|
48
|
551-01.055-29
|
36 9574 1430
|
|
0,63 (6,3)
|
54
|
-30
|
1431
|
|
1,0 (10)
|
517
|
441
|
18
|
60
|
-31
|
1432
|
|
400
|
0,25 (2,5)
|
562
|
325
|
486
|
16
|
54
|
551-01.055-32
|
36 9574 1433
|
|
0,63 (6,3)
|
61
|
-33
|
1434
|
|
1,0 (10)
|
577
|
496
|
26
|
18
|
74
|
-34
|
1435
|
|
450
|
0,25 (2,5)
|
612
|
400
|
536
|
22
|
66
|
551-01.055-35
|
36 9574 1436
|
|
0,63 (6,3)
|
79
|
-36
|
1437
|
|
1,0 (10)
|
632
|
551
|
26
|
20
|
91
|
-37
|
1438
|
|
500
|
0,25 (2,5)
|
667
|
440
|
591
|
32
|
22
|
79
|
551-01.055-38
|
36 9574 1439
|
|
0,63 (6,3)
|
91
|
-39
|
1440
|
|
1,0 (10)
|
682
|
601
|
26
|
103
|
-40
|
1441
|
Таблица 21
Основные параметры и размеры
компенсаторов, тип K111, исполнение 06
Размеры в мм
|
Условный проход Dу
|
Условное давление Ру, МПа
(кгс/см2)
|
н
|
L
|
D1
|
b
|
d
|
п
|
Амплитуда
|
Масса, кг
|
d1
|
Обозначение
|
Код ОКП
|
|
Номин.
|
Пред откл.
|
хода 
|
сдвига 
|
поворота 
|
|
65
|
0,25 (2,5)
|
187
|
225
|
± 2
|
123
|
24
|
15
|
6
|
15
|
10
|
10°
|
9
|
50
|
551-01.058
|
36 9574 1442
|
|
0,63 (6,3)
|
-01
|
1443
|
|
1,0 (10)
|
-02
|
1444
|
|
1,6 (16)
|
202
|
132
|
17
|
8
|
10
|
-03
|
1445
|
|
80
|
0,25 (2,5)
|
215
|
138
|
26
|
15
|
7
|
60
|
551-01.058-04
|
36 9574 1446
|
|
0,63 (6,3)
|
-05
|
1447
|
|
1,0 (10)
|
11
|
-06
|
1448
|
|
1,6 (16)
|
217
|
147
|
17
|
-07
|
1449
|
|
100
|
0,25 (2,5)
|
222
|
158
|
15
|
13
|
80
|
551-01.058-08
|
36 9574 1450
|
|
0,63 (6,3)
|
-09
|
1451
|
|
1,0 (10)
|
14
|
-10
|
1452
|
|
1,6 (16)
|
237
|
167
|
17
|
10
|
15
|
-11
|
1453
|
|
125
|
0,25 (2,5)
|
247
|
235
|
183
|
28
|
15
|
10
|
21
|
105
|
551-01.058-12
|
36 9574 1454
|
|
0,63 (6,3)
|
22
|
-13
|
1455
|
|
1,0 (10)
|
-14
|
1456
|
|
1,6 (16)
|
257
|
187
|
17
|
-15
|
1457
|
|
150
|
0,25 (2,5)
|
272
|
240
|
208
|
15
|
12
|
20
|
17
|
130
|
551-01.058-16
|
36 9574 1458
|
|
0,63 (6,3)
|
-17
|
1459
|
|
1,0 (10)
|
18
|
-18
|
1460
|
|
1,6 (16)
|
287
|
217
|
17
|
19
|
-19
|
1461
|
|
200
|
0,25 (2,5)
|
327
|
264
|
25
|
15
|
21
|
160
|
551-01.056
|
36 9574 1462
|
|
0,63 (6,3)
|
23
|
-01
|
1463
|
|
1,0 (10)
|
342
|
273
|
17
|
26
|
-02
|
1464
|
|
250
|
0,25 (2,5)
|
397
|
280
|
327
|
14
|
30
|
207
|
551-01.056-03
|
36 9574 1465
|
|
0,63 (6,3)
|
32
|
-04
|
1466
|
|
1,0 (10)
|
412
|
336
|
22
|
38
|
-05
|
1467
|
|
300
|
0,25 (2,5)
|
462
|
295
|
± 3
|
386
|
30
|
30
|
43
|
257
|
551-01.056-06
|
36 9574 1468
|
|
0,63 (6,3)
|
16
|
47
|
-07
|
1469
|
|
1,0 (10)
|
467
|
391
|
51
|
-08
|
1470
|
|
350
|
0,25 (2,5)
|
512
|
305
|
436
|
307
|
551-01 056-09
|
36 9574 1471
|
|
0,63 (6,3)
|
57
|
-10
|
1472
|
|
1,0 (10)
|
517
|
441
|
18
|
63
|
-11
|
1473
|
|
400
|
0,25 (2,5)
|
562
|
325
|
486
|
16
|
58
|
357
|
551-01.056-12
|
36 9574 1474
|
|
0,63 (6,3)
|
65
|
-13
|
1475
|
|
1,0 (10)
|
577
|
496
|
26
|
18
|
78
|
-14
|
1476
|
|
450
|
0,25 (2,5)
|
612
|
400
|
536
|
22
|
73
|
424
|
551-01.056-15
|
36 9574 1477
|
|
0,63 (6,3)
|
86
|
-16
|
1478
|
|
1,0 (10)
|
632
|
551
|
26
|
20
|
98
|
-17
|
1479
|
|
500
|
0,25 (2,5)
|
667
|
435
|
591
|
32
|
22
|
89
|
479
|
551-01.056-18
|
36 9574 1480
|
|
0,63 (6,3)
|
101
|
-19
|
1481
|
|
1,0 (10)
|
682
|
440
|
601
|
26
|
113
|
-20
|
1482
|
Таблица 22
Основные параметры и размеры
компенсаторов, тип K111, исполнение 07, 08
Размеры в мм
|
Условный проход Dу
|
Условное давление Ру, МПа
(кгс/см2)
|
н
|
L
|
D1
|
b
|
d
|
п
|
Амплитуда
|
Исполнение
|
|
Номин.
|
Пред. откл.
|
хода 
|
сдвига 
|
поворота 
|
07
|
08
|
|
Масса, кг
|
Обозначение
|
Код ОКП
|
d1
|
Масса, кг
|
Обозначение
|
Код ОКП
|
|
100
|
0,25 (2,5)
|
222
|
240
|
± 2
|
158
|
38
|
15
|
8
|
15
|
7
|
10°
|
9
|
551-01.059
|
36 9574 1601
|
85
|
10
|
551-01.065
|
36 9574 1634
|
|
0,63 (6,3)
|
-01
|
1602
|
11
|
-01
|
1635
|
|
1,0 (10)
|
10
|
-02
|
1603
|
16
|
-02
|
1636
|
|
1,6 (16)
|
237
|
255
|
167
|
46
|
17
|
10
|
15
|
-03
|
1604
|
-03
|
1637
|
|
125
|
0,25 (2,5)
|
247
|
260
|
183
|
40
|
15
|
12
|
551-01.059-04
|
36 9574 1605
|
108
|
14
|
551-01.065-04
|
36 9574 1638
|
|
0,63 (6,3)
|
-05
|
1606
|
-05
|
1639
|
|
1,0 (10)
|
13
|
-06
|
1607
|
15
|
-06
|
1640
|
|
1,6 (16)
|
257
|
275
|
187
|
48
|
17
|
18
|
-07
|
1608
|
20
|
-07
|
1641
|
|
150
|
0,25 (2,5)
|
272
|
265
|
208
|
40
|
15
|
12
|
20
|
14
|
551-01.059-08
|
36 9574 1609
|
133
|
16
|
551-01.065-08
|
36 9574 1642
|
|
0,63 (6,3)
|
-09
|
1610
|
17
|
-09
|
1643
|
|
1,0 (10)
|
15
|
-10
|
1611
|
18
|
-10
|
1644
|
|
1,6 (16)
|
287
|
280
|
217
|
48
|
17
|
21
|
-11
|
1612
|
24
|
-11
|
1645
|
|
200
|
0,25 (2,5)
|
327
|
270
|
264
|
40
|
15
|
23
|
551-01.059-12
|
36 9574 1613
|
157
|
551-01.060
|
36 9574 1646
|
|
0,63 (6,3)
|
24
|
-13
|
1614
|
26
|
-01
|
1647
|
|
1,0 (10)
|
342
|
273
|
17
|
29
|
-14
|
1615
|
30
|
-02
|
1648
|
|
250
|
0,25 (2,5)
|
397
|
308
|
327
|
14
|
34
|
551-01.059-15
|
36 9574 1616
|
207
|
36
|
551-01.060-03
|
36 9574 1649
|
|
0,63 (6,3)
|
37
|
-16
|
1617
|
39
|
-04
|
1650
|
|
1,0 (10)
|
412
|
336
|
22
|
42
|
-17
|
1618
|
44
|
-05
|
1651
|
|
300
|
0,25 (2,5)
|
462
|
327
|
± 3
|
386
|
45
|
30
|
49
|
551-01.059-18
|
36 9574 1619
|
257
|
51
|
551-01.060-06
|
36 9574 1652
|
|
0,63 (6,3)
|
53
|
-19
|
1620
|
56
|
-07
|
1653
|
|
1,0 (10)
|
467
|
391
|
16
|
58
|
-20
|
1621
|
60
|
-08
|
1654
|
|
350
|
0,25 (2,5)
|
512
|
337
|
436
|
56
|
551-01.059-21
|
36 9574 1622
|
307
|
551-01.060-09
|
36 9574 1655
|
|
0,63 (6,3)
|
63
|
-22
|
1623
|
69
|
-10
|
1656
|
|
1,0 (10)
|
517
|
441
|
18
|
69
|
-23
|
1624
|
73
|
-11
|
1657
|
|
400
|
0,25 (2,5)
|
562
|
355
|
486
|
16
|
63
|
551-01.059-24
|
36 9574 1625
|
357
|
67
|
551-01.060-12
|
36 9574 1658
|
|
0,63 (6,3)
|
70
|
-25
|
1626
|
74
|
-13
|
1659
|
|
1,0 (10)
|
577
|
496
|
26
|
18
|
80
|
-26
|
1627
|
85
|
-14
|
1660
|
|
450
|
0,25 (2,5)
|
612
|
428
|
536
|
22
|
76
|
551-01.059-27
|
36 9574 1628
|
407
|
82
|
551-01.060-15
|
36 9574 1661
|
|
0,63 (6,3)
|
86
|
-28
|
1629
|
92
|
-16
|
1662
|
|
1,0 (10)
|
632
|
551
|
26
|
20
|
100
|
-29
|
1630
|
106
|
-17
|
1663
|
|
500
|
0,25 (2,5)
|
667
|
470
|
591
|
47
|
22
|
89
|
551-01.059-30
|
36 9574 1631
|
457
|
96
|
551-01.060-18
|
36 9574 1664
|
|
0,63 (6,3)
|
101
|
-31
|
1632
|
108
|
-19
|
1665
|
|
1,0 (10)
|
682
|
601
|
26
|
116
|
-32
|
1633
|
124
|
-20
|
1666
|
Таблица 23
Основные параметры и размеры
компенсаторов, тип K111, исполнение 09, 10, 11
Размеры в мм
|
Условный проход Dу
|
Условное давление Ру,
МПа (кгс/см2)
|
н
|
L
|
D1
|
b
|
d
|
п
|
Амплитуда
|
Масса, кг
|
Исполнение
|
|
Номин.
|
Пред. откл.
|
хода 
|
сдвига 
|
поворота 
|
09
|
10
|
11
|
|
Обозначение
|
Код ОКП
|
Обозначение
|
Код ОКП
|
Обозначение
|
Код ОКП
|
|
100
|
0,63 (6,3)
|
222
|
202
|
± 2
|
158
|
18
|
15
|
8
|
15
|
7
|
10°
|
8
|
551-01.061
|
36 9574 1501
|
551-01.062
|
36 9574 1531
|
551-01.063
|
36 9574 1561
|
|
1,0 (10)
|
-01
|
1502
|
-01
|
1532
|
-01
|
1562
|
|
1,6 (16)
|
237
|
220
|
167
|
26
|
17
|
10
|
13
|
-02
|
1503
|
-02
|
1533
|
-02
|
1563
|
|
125
|
0,63 (6,3)
|
247
|
223
|
183
|
20
|
15
|
10
|
551-01.061-03
|
36 9574 1504
|
551-01.062-03
|
36 9574 1534
|
551-01.063-03
|
36 9574 1564
|
|
1,0 (10)
|
11
|
-04
|
1505
|
-04
|
1535
|
-04
|
1565
|
|
1,6 (16)
|
257
|
240
|
187
|
28
|
17
|
15
|
-05
|
1506
|
-05
|
1536
|
-05
|
1566
|
|
150
|
0,63 (6,3)
|
272
|
228
|
208
|
20
|
15
|
12
|
20
|
12
|
551-01.061-06
|
36 9574 1507
|
551-01.062-06
|
36 9574 1537
|
551-01.063-06
|
36 9574 1567
|
|
1,0 (10)
|
13
|
-07
|
1508
|
-07
|
1538
|
-07
|
1568
|
|
1,6 (16)
|
287
|
245
|
217
|
28
|
17
|
18
|
-08
|
1509
|
-08
|
1539
|
-08
|
1569
|
|
200
|
0,25 (2,5)
|
327
|
264
|
25
|
15
|
19
|
551-01.061-09
|
36 9574 1510
|
551-01.062-09
|
36 9574 1540
|
551-01.063-09
|
36 9574 1570
|
|
0,63 (6,3)
|
22
|
-10
|
1511
|
-10
|
1541
|
-10
|
1571
|
|
1,0 (10)
|
342
|
273
|
17
|
27
|
-11
|
1512
|
-11
|
1542
|
-11
|
1572
|
|
250
|
0,25 (2,5)
|
397
|
282
|
327
|
14
|
28
|
551-01.061-12
|
36 9574 1513
|
551-01.062-12
|
36 9574 1543
|
551-01.063-12
|
36 9574 1573
|
|
0,63 (6,3)
|
33
|
-13
|
1514
|
-13
|
1544
|
-13
|
1574
|
|
1,0 (10)
|
412
|
336
|
22
|
39
|
-14
|
1515
|
-14
|
1545
|
-14
|
1575
|
|
300
|
0,25 (2,5)
|
462
|
302
|
± 3
|
386
|
30
|
30
|
42
|
551-01.061-15
|
36 9574 1516
|
551-01.062-15
|
36 9574 1546
|
551-01.063-15
|
36 9574 1576
|
|
0,63 (6,3)
|
48
|
-16
|
1517
|
-16
|
1547
|
-16
|
1577
|
|
1,0 (10)
|
467
|
391
|
16
|
53
|
-17
|
1518
|
-17
|
1548
|
-17
|
1578
|
|
350
|
0,25 (2,5)
|
512
|
312
|
436
|
49
|
551-01.061-18
|
36 9574 1519
|
551-01.062-18
|
36 9574 1549
|
551-01.063-18
|
36 9574 1579
|
|
0,63 (6,3)
|
58
|
-19
|
1520
|
-19
|
1550
|
-19
|
1580
|
|
1,0 (10)
|
517
|
441
|
18
|
65
|
-20
|
1521
|
-20
|
1551
|
-20
|
1581
|
|
400
|
0,25 (2,5)
|
562
|
330
|
486
|
16
|
55
|
551-01.061-21
|
36 9574 1522
|
551-01.062-21
|
36 9574 1552
|
551-01.063-21
|
36 9574 1582
|
|
0,63 (6,3)
|
63
|
-22
|
1523
|
-22
|
1553
|
-22
|
1583
|
|
1,0 (10)
|
577
|
496
|
26
|
18
|
71
|
-23
|
1524
|
-23
|
1554
|
-23
|
1584
|
|
450
|
0,25 (2,5)
|
612
|
403
|
536
|
22
|
68
|
551-01.061-24
|
36 9574 1525
|
551-01.062-24
|
36 9574 1555
|
551-01.063-24
|
36 9574 1585
|
|
0,63 (6,3)
|
85
|
-25
|
1526
|
-25
|
1556
|
-25
|
1586
|
|
1,0 (10)
|
632
|
551
|
26
|
20
|
102
|
-26
|
1527
|
-26
|
1557
|
-26
|
1587
|
|
500
|
0,25 (2,5)
|
667
|
445
|
591
|
32
|
22
|
96
|
551-01.061-27
|
36 9574 1528
|
551-01.062-27
|
36 9574 1558
|
551-01.063-27
|
36 9574 1588
|
|
0,63 (6,3)
|
100
|
-28
|
1529
|
-28
|
1559
|
-28
|
1589
|
|
1,0 (10)
|
682
|
601
|
26
|
115
|
-29
|
1530
|
-29
|
1560
|
-29
|
1590
|
Таблица 24
Основные параметры и размеры
компенсаторов, тип K111, исполнение 21, 22
Размеры в мм
|
Условный проход Dу
|
Условное давление Ру, МПа
(кгс/см2)
|
н
|
L
|
D1
|
D2
|
Амплитуда
|
Исполнение
|
|
Номин.
|
Пред. откл.
|
хода 
|
сдвига 
|
поворота 
|
21
|
22
|
|
Масса, кг
|
Обозначение
|
Код ОКП
|
d1
|
Масса, кг
|
Обозначение
|
Код ОКП
|
|
100
|
0,25 (2,5)
|
222
|
213
|
± 2
|
149
|
129
|
15
|
7
|
10°
|
4
|
551-01.071
|
36 9574 8101
|
80
|
5
|
551-01.066
|
36 9574 8201
|
|
0,63 (6,3)
|
-01
|
8102
|
-01
|
8202
|
|
1,0 (10)
|
-02
|
8103
|
6
|
-02
|
8203
|
|
1,6 (16)
|
5
|
-03
|
8104
|
-03
|
8204
|
|
2,5 (25)
|
260
|
-04
|
8105
|
-04
|
8205
|
|
4,0 (40)
|
-05
|
8106
|
5
|
-05
|
8206
|
|
6,3 (63)
|
-06
|
8107
|
6
|
-06
|
8207
|
|
125
|
0,25 (2,5)
|
247
|
236
|
171
|
151
|
6
|
551-01.071-07
|
36 9574 8108
|
105
|
7
|
551-01.066-07
|
36 9574 8208
|
|
0,63 (6,3)
|
7
|
-08
|
8109
|
-08
|
8209
|
|
1,0 (10)
|
-09
|
8110
|
8
|
-09
|
8210
|
|
1,6 (16)
|
8
|
-10
|
8111
|
-10
|
8211
|
|
2,5 (25)
|
266
|
6
|
-11
|
8112
|
9
|
-11
|
8212
|
|
4,0 (40)
|
-12
|
8113
|
-12
|
8213
|
|
6,3 (63)
|
7
|
-13
|
8114
|
8
|
-13
|
8214
|
|
150
|
0,25 (2,5)
|
272
|
240
|
197
|
177
|
551-01.071-14
|
36 9574 8115
|
130
|
9
|
551-01.066-14
|
36 9574 8215
|
|
0,63 (6,3)
|
9
|
-15
|
8116
|
-15
|
8216
|
|
1,0 (10)
|
-16
|
8117
|
10
|
-16
|
8217
|
|
1,6 (16)
|
10
|
-17
|
8118
|
11
|
-17
|
8218
|
|
2,5 (25)
|
260
|
11
|
-18
|
8119
|
-18
|
8219
|
|
4,0 (40)
|
-19
|
8120
|
-19
|
8220
|
|
6,3 (63)
|
12
|
-20
|
8121
|
12
|
-20
|
8221
|
|
200
|
0,1 (1,0)
|
342
|
247
|
261
|
241
|
20
|
12
|
551-01.071-21
|
36 9574 8122
|
157
|
13
|
551-01.072
|
36 9574 8222
|
|
0,25 (2,5)
|
13
|
-22
|
8123
|
14
|
-01
|
8223
|
|
0,63 (6,3)
|
15
|
-23
|
8124
|
16
|
-02
|
8224
|
|
1,0 (10)
|
16
|
-24
|
8125
|
17
|
-03
|
8225
|
|
1,6 (16)
|
288
|
10
|
18
|
-25
|
8126
|
19
|
-04
|
8226
|
|
2,5 (25)
|
19
|
-26
|
8127
|
20
|
-05
|
8227
|
|
4,0 (40)
|
290
|
20
|
-27
|
8128
|
21
|
-06
|
8228
|
|
6,3 (63)
|
-28
|
8129
|
-07
|
8229
|
|
250
|
0,1 (1,0)
|
397
|
292
|
312
|
292
|
20
|
16
|
551-01.071-29
|
36 9574 8130
|
207
|
18
|
551-01.072-08
|
36 9574 8230
|
|
0,25 (2,5)
|
18
|
-30
|
8131
|
20
|
-09
|
8231
|
|
0,63 (6,3)
|
20
|
-31
|
8132
|
22
|
-10
|
8232
|
|
1,0 (10)
|
23
|
-32
|
8133
|
25
|
-11
|
8233
|
|
1,6 (16)
|
306
|
10
|
26
|
-33
|
8134
|
28
|
-12
|
8234
|
|
2,5 (25)
|
27
|
-34
|
8135
|
29
|
-13
|
8235
|
|
4,0 (40)
|
308
|
29
|
-35
|
8136
|
31
|
-14
|
8236
|
|
6,3 (63)
|
-36
|
8137
|
-15
|
8237
|
|
300
|
0,1 (1,0)
|
462
|
300
|
± 3
|
363
|
343
|
30
|
24
|
551-01.071-37
|
36 9574 8138
|
257
|
27
|
551-01.072-16
|
36 9574 8238
|
|
0,25 (2,5)
|
25
|
-38
|
8139
|
28
|
-17
|
8239
|
|
0,63 (6,3)
|
29
|
-39
|
8140
|
31
|
-18
|
8240
|
|
1,0 (10)
|
32
|
-40
|
8141
|
34
|
-19
|
8241
|
|
1,6 (16)
|
306
|
10
|
-41
|
8142
|
35
|
-20
|
8242
|
|
2,5 (25)
|
-42
|
8143
|
-21
|
8243
|
|
4,0 (40)
|
308
|
38
|
-43
|
8144
|
40
|
-22
|
8244
|
|
6,3 (63)
|
-44
|
8145
|
-23
|
8245
|
|
350
|
0,1 (1,0)
|
512
|
310
|
413
|
393
|
30
|
23
|
551-01.071-45
|
36 9574 8146
|
307
|
26
|
551-01.072-24
|
36 9574 8246
|
|
0,25 (2,5)
|
25
|
-46
|
8147
|
28
|
-25
|
8247
|
|
0,63 (6,3)
|
32
|
-47
|
8148
|
35
|
-26
|
8248
|
|
1,0 (10)
|
36
|
-48
|
8149
|
39
|
-27
|
8249
|
|
1,6 (16)
|
325
|
10
|
38
|
-49
|
8150
|
41
|
-28
|
8250
|
|
2,5 (25)
|
41
|
-50
|
8151
|
44
|
-29
|
8251
|
|
4,0 (40)
|
327
|
45
|
-51
|
8152
|
48
|
-30
|
8252
|
|
6,3 (63)
|
46
|
-52
|
8153
|
49
|
-31
|
8253
|
|
400
|
0,1 (1,0)
|
562
|
330
|
466
|
446
|
30
|
27
|
551-01.071-53
|
36 9574 8154
|
357
|
31
|
551-01.072-32
|
36 9574 8254
|
|
0,25 (2,5)
|
29
|
-54
|
8155
|
33
|
-33
|
8255
|
|
0,63 (6,3)
|
37
|
-55
|
8156
|
41
|
-34
|
8256
|
|
1,0 (10)
|
42
|
-56
|
8157
|
46
|
-35
|
8257
|
|
1,6 (16)
|
352
|
10
|
48
|
-57
|
8158
|
52
|
-36
|
8258
|
|
2,5 (25)
|
51
|
-58
|
8159
|
55
|
-37
|
8259
|
|
4,0 (40)
|
354
|
57
|
-59
|
8160
|
61
|
-38
|
8260
|
|
6,3 (63)
|
59
|
-60
|
8161
|
63
|
-39
|
8261
|
|
450
|
0,1 (1,0)
|
632
|
402
|
530
|
510
|
30
|
41
|
551-01.071-61
|
36 9574 8162
|
407
|
48
|
551-01.072-40
|
36 9574 8262
|
|
0,25 (2,5)
|
45
|
-62
|
8163
|
52
|
-41
|
8263
|
|
0,63 (6,3)
|
58
|
-63
|
8164
|
65
|
-42
|
8264
|
|
1,0 (10)
|
62
|
-64
|
8165
|
69
|
-43
|
8265
|
|
1,6 (16)
|
388
|
10
|
64
|
-65
|
8166
|
70
|
-44
|
8266
|
|
2,5 (25)
|
74
|
-66
|
8167
|
81
|
-45
|
8267
|
|
4,0 (40)
|
390
|
78
|
-67
|
8168
|
85
|
-46
|
8268
|
|
6,3 (63)
|
83
|
-68
|
8169
|
90
|
-47
|
8269
|
|
500
|
0,1 (1,0)
|
682
|
440
|
585
|
565
|
30
|
47
|
551-01.071-69
|
36 9574 8170
|
457
|
57
|
551-01.072-48
|
36 9574 8270
|
|
0,25 (2,5)
|
52
|
-70
|
8171
|
62
|
-49
|
8271
|
|
0,63 (6,3)
|
64
|
-71
|
8172
|
74
|
-50
|
8272
|
|
1,0 (10)
|
72
|
-72
|
8173
|
82
|
-51
|
8273
|
|
1,6 (16)
|
372
|
10
|
70
|
-73
|
8174
|
80
|
-52
|
8274
|
|
2,5 (25)
|
83
|
-74
|
8175
|
90
|
-53
|
8275
|
|
4,0 (40)
|
374
|
85
|
-75
|
8176
|
92
|
-54
|
8276
|
|
6,3 (63)
|
84
|
-76
|
8177
|
91
|
-55
|
8277
|
Таблица 25
Основные параметры и размеры
компенсаторов, тип K111, исполнение 23, 24, 27, 28
Размеры в мм
|
Условный проход Dу
|
Условное давление Ру, МПа
(кгс/см2)
|
н
|
L
|
D1
|
D2
|
Амплитуда
|
Исполнение
|
|
Номин.
|
Пред. откл.
|
хода 
|
сдвига 
|
поворота 
|
23
|
24
|
|
Масса, кг
|
Обозначение
|
Код ОКП
|
d1
|
Масса, кг
|
Обозначение
|
Код ОКП
|
|
100
|
0,25 (2,5)
|
222
|
213
|
± 2
|
149
|
129
|
15
|
7
|
10°
|
4
|
551-01.073
|
36 9574 8301
|
85
|
5
|
551-01.067
|
36 9574 8501
|
|
0,63 (6,3)
|
-01
|
8302
|
-01
|
8502
|
|
1,0 (10)
|
-02
|
8303
|
6
|
-02
|
8503
|
|
1,6 (16)
|
5
|
-03
|
8304
|
-03
|
8504
|
|
2,5 (25)
|
260
|
10
|
-04
|
8305
|
-04
|
8505
|
|
4,0 (40)
|
-05
|
8306
|
5
|
-05
|
8506
|
|
6,3 (63)
|
-06
|
8307
|
6
|
-06
|
8507
|
|
125
|
0,25 (2,5)
|
247
|
236
|
171
|
151
|
15
|
6
|
551-01.073-07
|
36 9574 8308
|
105
|
7
|
551-01.067-07
|
36 9574 8508
|
|
0,63 (6,3)
|
7
|
-08
|
8309
|
-08
|
8509
|
|
1,0 (10)
|
-09
|
8310
|
8
|
-09
|
8510
|
|
1,6 (16)
|
8
|
-10
|
8311
|
-10
|
8511
|
|
2,5 (25)
|
266
|
10
|
6
|
-11
|
8312
|
9
|
-11
|
8512
|
|
4,0 (40)
|
-12
|
8313
|
-12
|
8513
|
|
6,3 (63)
|
7
|
-13
|
8314
|
10
|
-13
|
8514
|
|
150
|
0,25 (2,5)
|
279
|
240
|
197
|
177
|
20
|
8
|
551-01.073-14
|
36 9574 8315
|
133
|
8
|
551-01.067-14
|
36 9574 8515
|
|
0,63 (6,3)
|
9
|
-15
|
8316
|
9
|
-15
|
8516
|
|
1,0 (10)
|
-16
|
8317
|
-16
|
8517
|
|
1,6 (16)
|
10
|
-17
|
8318
|
10
|
-17
|
8518
|
|
2,5 (25)
|
260
|
10
|
11
|
-18
|
8319
|
11
|
-18
|
8519
|
|
4,0 (40)
|
-19
|
8320
|
-19
|
8520
|
|
6,3 (63)
|
12
|
-20
|
8321
|
12
|
-20
|
8521
|
|
200
|
0,1 (1,0)
|
342
|
247
|
261
|
241
|
20
|
12
|
551-01.073-21
|
36 9574 8322
|
157
|
13
|
551-01.074
|
36 9574 8522
|
|
0,25 (2,5)
|
13
|
-22
|
8323
|
14
|
-01
|
8523
|
|
0,63 (6,3)
|
15
|
-23
|
8324
|
16
|
-02
|
8524
|
|
1,0 (10)
|
16
|
-24
|
8325
|
17
|
-03
|
8525
|
|
1,6 (16)
|
288
|
10
|
18
|
-25
|
8326
|
19
|
-04
|
8526
|
|
2,5 (25)
|
19
|
-26
|
8327
|
20
|
-05
|
8527
|
|
4,0 (40)
|
290
|
20
|
-27
|
8328
|
21
|
-06
|
8528
|
|
6,3 (63)
|
-28
|
8329
|
-07
|
8529
|
|
250
|
0,1 (1,0)
|
397
|
292
|
312
|
292
|
20
|
16
|
551-01.073-29
|
36 9574 8330
|
207
|
18
|
551-01.074-08
|
36 9574 8530
|
|
0,25 (2,5)
|
18
|
-30
|
8331
|
20
|
-09
|
8531
|
|
0,63 (6,3)
|
20
|
-31
|
8332
|
22
|
-10
|
8532
|
|
1,0 (10)
|
23
|
-32
|
8333
|
25
|
-11
|
8533
|
|
1,6 (16)
|
306
|
10
|
26
|
-33
|
8334
|
28
|
-12
|
8534
|
|
2,5 (25)
|
27
|
-34
|
8335
|
29
|
-13
|
8535
|
|
4,0 (40)
|
308
|
29
|
-35
|
8336
|
31
|
-14
|
8536
|
|
6,3 (63)
|
-36
|
8337
|
-15
|
8537
|
|
300
|
0,1 (1,0)
|
462
|
300
|
± 3
|
363
|
343
|
25
|
24
|
551-01.073-37
|
36 9574 8338
|
257
|
27
|
551-01.074-16
|
36 9574 8538
|
|
0,25 (2,5)
|
25
|
-38
|
8339
|
28
|
-17
|
8539
|
|
0,63 (6,3)
|
29
|
-39
|
8340
|
31
|
-18
|
8540
|
|
1,0 (10)
|
32
|
-40
|
8341
|
34
|
-19
|
8541
|
|
1,6 (16)
|
306
|
10
|
-41
|
8342
|
35
|
-20
|
8542
|
|
2,5 (25)
|
-42
|
8343
|
-21
|
8543
|
|
4,0 (40)
|
308
|
38
|
-43
|
8344
|
40
|
-22
|
8544
|
|
6,3 (63)
|
-44
|
8345
|
-23
|
8545
|
|
350
|
0,1 (1,0)
|
512
|
310
|
413
|
393
|
25
|
23
|
551-01.073-45
|
36 9574 8346
|
307
|
26
|
551-01.074-24
|
36 9574 8546
|
|
0,25 (2,5)
|
25
|
-46
|
8347
|
28
|
-25
|
8547
|
|
0,63 (6,3)
|
32
|
-47
|
8348
|
35
|
-26
|
8548
|
|
1,0 (10)
|
36
|
-48
|
8349
|
39
|
-27
|
8549
|
|
1,6 (16)
|
325
|
10
|
38
|
-49
|
8350
|
41
|
-28
|
8550
|
|
2,5 (25)
|
41
|
-50
|
8351
|
44
|
-29
|
8551
|
|
4,0 (40)
|
327
|
45
|
-51
|
8352
|
48
|
-30
|
8552
|
|
6,3 (63)
|
46
|
-52
|
8353
|
49
|
-31
|
8553
|
|
400
|
0,1 (1,0)
|
562
|
330
|
466
|
446
|
30
|
27
|
551-01.073-53
|
36 9574 8354
|
357
|
31
|
551-01.074-32
|
36 9574 8554
|
|
0,25 (2,5)
|
29
|
-54
|
8355
|
33
|
-33
|
8555
|
|
0,63 (6,3)
|
37
|
-55
|
8356
|
41
|
-34
|
8556
|
|
1,0 (10)
|
42
|
-56
|
8357
|
46
|
-35
|
8557
|
|
1,6 (16)
|
352
|
10
|
48
|
-57
|
8358
|
52
|
-36
|
8558
|
|
2,5 (25)
|
51
|
-58
|
8359
|
55
|
-37
|
8559
|
|
4,0 (40)
|
354
|
57
|
-59
|
8360
|
61
|
-38
|
8560
|
|
6,3 (63)
|
59
|
-60
|
8361
|
63
|
-39
|
8561
|
|
450
|
0,1 (1,0)
|
632
|
402
|
530
|
510
|
30
|
41
|
551-01.073-61
|
36 9574 8362
|
407
|
48
|
551-01.074-40
|
36 9574 8562
|
|
0,25 (2,5)
|
45
|
-62
|
8363
|
52
|
-41
|
8563
|
|
0,63 (6,3)
|
58
|
-63
|
8364
|
65
|
-42
|
8564
|
|
1,0 (10)
|
62
|
-64
|
8365
|
69
|
-43
|
8565
|
|
1,6 (16)
|
388
|
10
|
64
|
-65
|
8366
|
70
|
-44
|
8566
|
|
2,5 (25)
|
74
|
-66
|
8367
|
81
|
-45
|
8567
|
|
4,0 (40)
|
390
|
78
|
-67
|
8368
|
85
|
-46
|
8568
|
|
6,3 (63)
|
83
|
-68
|
8369
|
90
|
-47
|
8569
|
|
500
|
0,1 (1,0)
|
682
|
440
|
585
|
565
|
30
|
47
|
551-01.073-69
|
36 9574 8370
|
457
|
57
|
551-01.074-48
|
36 9574 8570
|
|
0,25 (2,5)
|
52
|
-70
|
8371
|
62
|
-49
|
8571
|
|
0,63 (6,3)
|
64
|
-71
|
8372
|
74
|
-50
|
8572
|
|
1,0 (10)
|
372
|
10
|
72
|
-72
|
8373
|
82
|
-51
|
8573
|
|
1,6 (16)
|
70
|
-73
|
8374
|
80
|
-52
|
8574
|
|
2,5 (25)
|
374
|
83
|
-74
|
8375
|
90
|
-53
|
8575
|
|
4,0 (40)
|
85
|
-75
|
8376
|
92
|
-54
|
8576
|
|
6,3 (63)
|
84
|
-76
|
8377
|
91
|
-55
|
8577
|
Продолжение
табл. 25
Размеры в мм
|
Условный
проход Dу
|
Условное
давление Ру, МПа (кгс/см2)
|
н
|
L
|
D1
|
Амплитуда
|
Исполнение
|
|
Номин.
|
Пред. откл.
|
хода

|
сдвига

|
поворота

|
27
|
28
|
|
Масса, кг
|
Обозначение
|
Код ОКП
|
d1
|
Масса, кг
|
Обозначение
|
Код ОКП
|
|
600
|
0,1 (1,0)
|
765
|
365
|
± 5
|
629
|
35
|
6
|
9°
|
41
|
551-01.069
|
36 9574 8401
|
576
|
48
|
551-01.070
|
36 9574 8601
|
|
0,25 (2,5)
|
46
|
-01
|
8402
|
52
|
-01
|
8602
|
|
0,63 (6,3)
|
64
|
-02
|
8403
|
71
|
-02
|
8603
|
|
1,0 (10)
|
450
|
10
|
72
|
-03
|
8404
|
81
|
-03
|
8604
|
|
1,6 (16)
|
637
|
105
|
-04
|
8405
|
-04
|
8605
|
|
2,5 (25)
|
-05
|
8406
|
141
|
-05
|
8606
|
|
4,0 (40)
|
465
|
647
|
112
|
-06
|
8407
|
121
|
-06
|
8607
|
|
700
|
0,1 (1,0)
|
873
|
415
|
733
|
35
|
51
|
551-01.069-07
|
36 9574 8408
|
681
|
61
|
551-01.070-07
|
36 9574 8608
|
|
0,25 (2,5)
|
57
|
-08
|
8409
|
67
|
-08
|
8609
|
|
0,63 (6,3)
|
87
|
-09
|
8410
|
97
|
-09
|
8610
|
|
1,0 (10)
|
455
|
10
|
88
|
-10
|
8411
|
98
|
-10
|
8611
|
|
1,6 (16)
|
741
|
96
|
-11
|
8412
|
106
|
-11
|
8612
|
|
2,5 (25)
|
120
|
-12
|
8413
|
131
|
-12
|
8613
|
|
4,0 (40)
|
460
|
751
|
137
|
-13
|
8414
|
148
|
-13
|
8614
|
|
800
|
0,1 (1,0)
|
980
|
450
|
833
|
35
|
62
|
551-01.069-14
|
36 9574 8415
|
776
|
74
|
551-01.070-14
|
36 9574 8615
|
|
0,25 (2,5)
|
69
|
-15
|
8416
|
81
|
-15
|
8616
|
|
0,63 (6,3)
|
97
|
-16
|
8417
|
109
|
-16
|
8617
|
|
1,0 (10)
|
455
|
10
|
103
|
-17
|
8418
|
115
|
-17
|
8618
|
|
1,6 (16)
|
115
|
-18
|
8419
|
127
|
-18
|
8619
|
|
2,5 (25)
|
841
|
141
|
-19
|
8420
|
153
|
-19
|
8620
|
|
4,0 (40)
|
465
|
851
|
166
|
-20
|
8421
|
178
|
-20
|
8621
|
|
900
|
0,1 (1,0)
|
1090
|
450
|
933
|
40
|
8°
|
70
|
551-01.069-21
|
36 9574 8422
|
876
|
84
|
551-01.070-21
|
36 9574 8622
|
|
0,25 (2,5)
|
77
|
-22
|
8423
|
91
|
-22
|
8623
|
|
0,63 (6,3)
|
120
|
-23
|
8424
|
133
|
-23
|
8624
|
|
1,0 (10)
|
455
|
10
|
5
|
6°
|
118
|
-24
|
8425
|
132
|
-24
|
8625
|
|
1,6 (16)
|
124
|
-25
|
8426
|
138
|
-25
|
8626
|
|
2,5 (25)
|
941
|
162
|
-26
|
8427
|
176
|
-26
|
8627
|
|
4,0 (40)
|
465
|
951
|
189
|
-27
|
8428
|
203
|
-27
|
8628
|
|
1000
|
0,1 (1,0)
|
1204
|
440
|
1041
|
40
|
87
|
551-01.069-28
|
36 9574 8429
|
981
|
103
|
551-01.070-28
|
36 9574 8629
|
|
0,25 (2,5)
|
98
|
-29
|
8430
|
116
|
-29
|
8630
|
|
0,63 (6,3)
|
134
|
-30
|
8431
|
152
|
-30
|
8631
|
|
1,0 (10)
|
470
|
10
|
144
|
-31
|
8432
|
132
|
-31
|
8632
|
|
1,6 (16)
|
163
|
-32
|
8433
|
181
|
-32
|
8633
|
|
2,5 (25)
|
485
|
1055
|
204
|
-33
|
8434
|
223
|
-33
|
8634
|
|
4,0 (40)
|
490
|
1065
|
252
|
-34
|
8435
|
170
|
-34
|
8635
|
|
1200
|
0,1 (1,0)
|
1417
|
455
|
1243
|
40
|
109
|
551-01.069-35
|
36 9574 8436
|
1181
|
128
|
551-01.070-35
|
36 9574 8636
|
|
0,25 (2,5)
|
121
|
-36
|
8437
|
140
|
-36
|
8637
|
|
0,63 (6,3)
|
165
|
-37
|
8438
|
184
|
-37
|
8638
|
|
1,0 (10)
|
470
|
10
|
190
|
-38
|
8439
|
210
|
-38
|
8639
|
|
1,6 (16)
|
202
|
-39
|
8440
|
223
|
-39
|
8640
|
|
2,5 (25)
|
455
|
1257
|
158
|
-40
|
8441
|
224
|
-40
|
8641
|
|
1400
|
0,1 (1,0)
|
1637
|
460
|
1451
|
40
|
4°
|
143
|
551-01.069-42
|
36 9574 8443
|
1386
|
166
|
551-01.070-42
|
36 9574 8643
|
|
0,25 (2,5)
|
163
|
-43
|
8444
|
186
|
-43
|
8644
|
|
0,63 (6,3)
|
202
|
-44
|
8445
|
226
|
-44
|
8645
|
|
1,0 (10)
|
435
|
10
|
228
|
-45
|
8446
|
250
|
-45
|
8646
|
|
1,6 (16)
|
241
|
-46
|
8447
|
263
|
-46
|
8647
|
|
2,5 (25)
|
455
|
1467
|
320
|
-47
|
8448
|
342
|
-47
|
8648
|
Таблица 26
Основные параметры и размеры
компенсаторов, тип K111, исполнение 25, 26
Размеры в мм
|
Условный проход Dу
|
Условное давление Ру, МПа
(кгс/см2)
|
н
|
L
|
D1
|
D2
|
Амплитуда
|
Исполнение
|
|
Номин.
|
Пред. откл.
|
хода 
|
сдвига 
|
поворота 
|
25
|
26
|
|
Масса, кг
|
Обозначение
|
Код ОКП
|
d1
|
Масса, кг
|
Обозначение
|
Код ОКП
|
|
100
|
0,25 (2,5)
|
222
|
213
|
± 2
|
149
|
129
|
15
|
7
|
10°
|
4
|
551-01.075
|
36 9574 8701
|
80
|
5
|
551-01.068
|
36 9574 8801
|
|
0,63 (6,3)
|
-01
|
8702
|
-01
|
8802
|
|
1,0 (10)
|
-02
|
8703
|
6
|
-02
|
8803
|
|
1,6 (16)
|
5
|
-03
|
8704
|
-03
|
8804
|
|
2,5 (25)
|
260
|
10
|
-04
|
8705
|
-04
|
8805
|
|
4,0 (40)
|
-05
|
8706
|
5
|
-05
|
8806
|
|
6,3 (63)
|
-06
|
8707
|
6
|
-06
|
8807
|
|
125
|
0,25 (2,5)
|
247
|
236
|
171
|
151
|
15
|
6
|
551-01.075-07
|
36 9574 8708
|
105
|
7
|
551-01.068-07
|
36 9574 8808
|
|
0,63 (6,3)
|
7
|
-08
|
8709
|
-08
|
8809
|
|
1,0 (10)
|
-09
|
8710
|
8
|
-09
|
8810
|
|
1,6 (16)
|
8
|
-10
|
8711
|
-10
|
8811
|
|
2,5 (25)
|
266
|
10
|
6
|
-11
|
8712
|
9
|
-11
|
8812
|
|
4,0 (40)
|
-12
|
8713
|
-12
|
8813
|
|
6,3 (63)
|
7
|
-13
|
8714
|
10
|
-13
|
8814
|
|
150
|
0,25 (2,5)
|
272
|
240
|
197
|
177
|
20
|
8
|
551-01.075-14
|
36 9574 8715
|
130
|
8
|
551-01.068-14
|
36 9574 8815
|
|
0,63 (6,3)
|
9
|
-15
|
8716
|
9
|
-15
|
8816
|
|
1,0 (10)
|
-16
|
8717
|
-16
|
8817
|
|
1,6 (16)
|
10
|
-17
|
8718
|
10
|
-17
|
8818
|
|
2,5 (25)
|
260
|
10
|
11
|
-18
|
8719
|
11
|
-18
|
8819
|
|
4,0 (40)
|
-19
|
8720
|
-19
|
8820
|
|
6,3 (63)
|
12
|
-20
|
8721
|
12
|
-20
|
8821
|
|
200
|
0,1 (1,0)
|
342
|
247
|
261
|
241
|
20
|
551-01.075-21
|
36 9574 8722
|
160
|
13
|
551-01.076
|
36 9574 8822
|
|
0,25 (2,5)
|
13
|
-22
|
8723
|
14
|
-01
|
8823
|
|
0,63 (6,3)
|
15
|
-23
|
8724
|
16
|
-02
|
8824
|
|
1,0 (10)
|
16
|
-24
|
8725
|
17
|
-03
|
8825
|
|
1,6 (16)
|
288
|
10
|
18
|
-25
|
8726
|
19
|
-04
|
8826
|
|
2,5 (25)
|
19
|
-26
|
8727
|
20
|
-05
|
8827
|
|
4,0 (40)
|
290
|
20
|
-27
|
8728
|
21
|
-06
|
8S28
|
|
6,3 (63)
|
-28
|
8729
|
-07
|
8829
|
|
250
|
0,1 (1,0)
|
397
|
292
|
312
|
292
|
20
|
16
|
551-01.075-29
|
36 9574 8730
|
210
|
18
|
551-01.076-08
|
36 9574 8830
|
|
0,25 (2,5)
|
18
|
-30
|
8731
|
20
|
-09
|
8831
|
|
0,63 (6,3)
|
20
|
-31
|
8732
|
22
|
-10
|
8832
|
|
1,0 (10)
|
23
|
-32
|
8733
|
25
|
-11
|
8833
|
|
1,6 (16)
|
306
|
10
|
26
|
-33
|
8734
|
28
|
-12
|
8834
|
|
2,5 (25)
|
27
|
-34
|
8735
|
29
|
-13
|
8835
|
|
4,0 (40)
|
308
|
29
|
-35
|
8736
|
31
|
-14
|
8836
|
|
6,3 (63)
|
-36
|
8737
|
-15
|
8837
|
|
300
|
0,1 (1,0)
|
462
|
300
|
± 3
|
363
|
343
|
20
|
24
|
551-01.075-37
|
36 9574 8738
|
260
|
27
|
551-01.076-16
|
36 9574 8838
|
|
0,25 (2,5)
|
25
|
-38
|
8739
|
28
|
-17
|
8839
|
|
0,63 (6,3)
|
29
|
-39
|
8740
|
31
|
-18
|
8840
|
|
1,0 (10)
|
32
|
-40
|
8741
|
34
|
-19
|
8841
|
|
1,6 (16)
|
306
|
10
|
-41
|
8742
|
35
|
-20
|
8842
|
|
2,5 (25)
|
-42
|
8743
|
-21
|
8843
|
|
4,0 (40)
|
308
|
38
|
-43
|
8744
|
40
|
-22
|
8844
|
|
6,3 (63)
|
-44
|
8745
|
-23
|
8845
|
|
350
|
0,1 (1,0)
|
512
|
310
|
413
|
393
|
30
|
23
|
551-01.075-45
|
36 9574 8746
|
307
|
26
|
551-01.076-24
|
36 9574 8846
|
|
0,25 (2,5)
|
25
|
-46
|
8747
|
28
|
-25
|
8847
|
|
0,63 (6,3)
|
32
|
-47
|
8748
|
35
|
-26
|
8848
|
|
1,0 (10)
|
36
|
-48
|
8749
|
39
|
-27
|
8849
|
|
1,6 (16)
|
325
|
10
|
38
|
-49
|
8750
|
41
|
-28
|
8850
|
|
2,5 (25)
|
41
|
-50
|
8751
|
44
|
-29
|
8851
|
|
4,0 (40)
|
327
|
45
|
-51
|
8752
|
48
|
-30
|
8852
|
|
6,3 (63)
|
46
|
-52
|
8753
|
49
|
-31
|
8853
|
|
400
|
0,1 (1,0)
|
562
|
330
|
466
|
446
|
30
|
27
|
551-01.075-53
|
36 9574 8754
|
357
|
31
|
551-01.076-32
|
36 9574 8854
|
|
0,25 (2,5)
|
29
|
-54
|
8755
|
33
|
-33
|
8855
|
|
0,63 (6,3)
|
37
|
-55
|
8756
|
41
|
-34
|
8856
|
|
1 0 (10)
|
42
|
-56
|
8757
|
46
|
-35
|
8857
|
|
1,6 (16)
|
352
|
10
|
48
|
-57
|
8758
|
52
|
-36
|
8858
|
|
2,5 (25)
|
51
|
-58
|
8759
|
55
|
-37
|
8859
|
|
4,0 (40)
|
354
|
57
|
-59
|
8760
|
61
|
-38
|
8860
|
|
6,3 (63)
|
59
|
-60
|
8761
|
63
|
-39
|
8861
|
|
450
|
0,1 (1,0)
|
632
|
402
|
530
|
510
|
30
|
41
|
551-01.075-61
|
36 9574 8762
|
407
|
48
|
551-01.076-40
|
36 9574 8862
|
|
0,25 (2,5)
|
45
|
-62
|
8763
|
52
|
-41
|
8863
|
|
0,63 (6,3)
|
58
|
-63
|
8764
|
65
|
-42
|
8864
|
|
1,0 (10)
|
62
|
-64
|
8765
|
69
|
-43
|
8865
|
|
1,6 (16)
|
388
|
10
|
64
|
-65
|
8766
|
70
|
-44
|
8866
|
|
2,5 (25)
|
74
|
-66
|
8767
|
81
|
-45
|
8867
|
|
4,0 (40)
|
390
|
78
|
-67
|
8768
|
85
|
-46
|
8868
|
|
6,3 (63)
|
83
|
-68
|
8769
|
90
|
-47
|
8869
|
|
500
|
0,1 (1,0)
|
682
|
440
|
585
|
565
|
30
|
47
|
551-01.075-69
|
36 9574 8770
|
457
|
57
|
551-01.076-48
|
36 9574 8870
|
|
0,25 (2,5)
|
52
|
-70
|
8771
|
62
|
-49
|
8871
|
|
0,63 (6,3)
|
64
|
-71
|
8772
|
74
|
-50
|
8872
|
|
1,0 (10)
|
372
|
10
|
72
|
-72
|
8773
|
82
|
-51
|
8873
|
|
1,6 (16)
|
70
|
-73
|
8774
|
80
|
-52
|
8874
|
|
2,5 (25)
|
83
|
-74
|
8775
|
90
|
-53
|
8875
|
|
4,0 (40)
|
374
|
85
|
-75
|
8776
|
92
|
-54
|
8876
|
|
6,3 (63)
|
84
|
-76
|
8777
|
91
|
-55
|
8877
|
Таблица 27
Основные параметры и размеры
уплотнений, тип У111, исполнение 21, 25
Размеры в мм
|
Условный проход Dу
|
Условное давление Ру, МПа
(кгс/см2)
|
D
|
L
|
D1
|
D2
|
Амплитуда
|
Масса, кг
|
Исполнение
|
|
Номин.
|
Пред. откл.
|
хода 
|
сдвига 
|
поворота 
|
21
|
25
|
|
Обозначение
|
Код ОКП
|
Обозначение
|
Код ОКП
|
|
100
|
0,25 (2,5)
|
138
|
220
|
± 2
|
149
|
118
|
15
|
7
|
10°
|
4
|
551-01.079
|
36 9574 9001
|
551-01.081
|
36 9574 9501
|
|
0,63 (6,3)
|
5
|
-01
|
9002
|
-01
|
9502
|
|
1 0 (10)
|
-02
|
9003
|
-02
|
9503
|
|
1,6 (16)
|
6
|
-03
|
9004
|
-03
|
9504
|
|
2,5 (25)
|
268
|
10
|
5
|
-04
|
9005
|
-04
|
9505
|
|
125
|
0,25 (2,5)
|
163
|
245
|
171
|
140
|
15
|
6
|
551-01.079-05
|
36 9574 9006
|
551-01.081-05
|
36 9574 9506
|
|
0,63 (6,3)
|
7
|
-06
|
9007
|
-06
|
9507
|
|
1,0 (10)
|
-07
|
9008
|
-07
|
9508
|
|
1,6 (16)
|
8
|
-08
|
9009
|
-08
|
9509
|
|
2,5 (25)
|
275
|
10
|
9
|
-09
|
9010
|
-09
|
9510
|
|
150
|
0,25 (2,5)
|
195
|
250
|
197
|
166
|
20
|
7
|
551-01.079-10
|
36 9574 9011
|
551-01.081-10
|
36 9574 9511
|
|
0,63 (6,3)
|
8
|
-11
|
9012
|
-11
|
9512
|
|
1,0 (10)
|
9
|
-12
|
9013
|
-12
|
9513
|
|
1,6 (16)
|
-13
|
9014
|
-13
|
9514
|
|
2,5 (25)
|
268
|
10
|
10
|
-14
|
9015
|
-14
|
9515
|
|
200
|
0,1 (1,0)
|
253
|
257
|
261
|
217
|
20
|
12
|
551-01.079-15
|
36 9574 9016
|
551-01.081-15
|
36 9574 9516
|
|
0,25 (2,5)
|
13
|
-16
|
9017
|
-16
|
9517
|
|
0,63 (6,3)
|
15
|
-17
|
9018
|
-17
|
9518
|
|
1,0 (10)
|
17
|
-18
|
9019
|
-18
|
9519
|
|
1,6 (16)
|
298
|
10
|
18
|
-19
|
9020
|
-19
|
9520
|
|
2,5 (25)
|
19
|
-20
|
9021
|
-20
|
9521
|
|
250
|
0,1 (1,0)
|
311
|
302
|
312
|
268
|
20
|
17
|
551-01.079-21
|
36 9574 9022
|
551-01.081-21
|
36 9574 9522
|
|
0,25 (2,5)
|
18
|
-22
|
9023
|
-22
|
9523
|
|
0,63 (6,3)
|
21
|
-23
|
9024
|
-23
|
9524
|
|
1,0 (10)
|
24
|
-24
|
9025
|
-24
|
9525
|
|
1,6 (16)
|
315
|
10
|
27
|
-25
|
9026
|
-25
|
9526
|
|
2,5 (25)
|
318
|
28
|
-26
|
9027
|
-26
|
9527
|
|
300
|
0,1 (1,0)
|
365
|
310
|
± 3
|
363
|
319
|
25
|
21
|
551-01.079-27
|
36 9574 9028
|
551-01.081-27
|
36 9574 9528
|
|
0,25 (2,5)
|
23
|
-28
|
9029
|
-28
|
9529
|
|
0,63 (6,3)
|
26
|
-29
|
9030
|
-29
|
9530
|
|
1,0 (10)
|
29
|
-30
|
9031
|
-30
|
9531
|
|
1,6 (16)
|
315
|
10
|
33
|
-31
|
9032
|
-31
|
9532
|
|
2,5 (25)
|
318
|
34
|
-32
|
9033
|
-32
|
9533
|
|
350
|
0,1 (1,0)
|
416
|
320
|
413
|
369
|
25
|
25
|
551-01.079-33
|
36 9574 9034
|
551-01.081-33
|
36 9574 9534
|
|
0,25 (2,5)
|
27
|
-34
|
9035
|
-34
|
9535
|
|
0,63 (6,3)
|
34
|
-35
|
9036
|
-35
|
9536
|
|
1,0 (10)
|
38
|
-36
|
9037
|
-36
|
9537
|
|
1,6 (16)
|
335
|
10
|
39
|
-37
|
9038
|
-37
|
9538
|
|
2,5 (25)
|
42
|
-38
|
9039
|
-38
|
9539
|
|
400
|
0,1 (1,0)
|
471
|
340
|
466
|
422
|
30
|
29
|
551-01.079-39
|
36 9574 9040
|
551-01.081-39
|
36 9574 9540
|
|
0,25 (2,5)
|
31
|
-40
|
9041
|
-40
|
9541
|
|
0,63 (6,3)
|
39
|
-41
|
9042
|
-41
|
9542
|
|
1,0 (10)
|
44
|
-42
|
9043
|
-42
|
9543
|
|
1,6 (16)
|
362
|
10
|
50
|
-43
|
9044
|
-43
|
9544
|
|
2,5 (25)
|
52
|
-44
|
9045
|
-44
|
9545
|
|
450
|
0,1 (1,0)
|
550
|
412
|
530
|
486
|
30
|
43
|
551-01.079-45
|
36 9574 9046
|
551-01.081-45
|
36 9574 9546
|
|
0,25 (2,5)
|
47
|
-46
|
9047
|
-46
|
9547
|
|
0,63 (6,3)
|
60
|
-47
|
9048
|
-47
|
9548
|
|
1,0 (10)
|
64
|
-48
|
9049
|
-48
|
9549
|
|
1,6 (16)
|
398
|
10
|
66
|
-49
|
9050
|
-49
|
9550
|
|
2,5 (25)
|
76
|
-50
|
9051
|
-50
|
9551
|
|
500
|
0,1 (1,0)
|
610
|
450
|
585
|
541
|
30
|
50
|
551-01.079-51
|
36 9574 9052
|
551-01.081-51
|
36 9574 9552
|
|
0,25 (2,5)
|
54
|
-52
|
9053
|
-52
|
9553
|
|
0,63 (6,3)
|
66
|
-53
|
9054
|
-53
|
9554
|
|
1,0 (10)
|
74
|
-54
|
9055
|
-54
|
9555
|
|
1,6 (16)
|
382
|
10
|
|
-55
|
9056
|
-55
|
9556
|
|
2,5 (25)
|
87
|
-56
|
9057
|
-56
|
9557
|
Таблица 28
Основные параметры и размеры
уплотнений, тип У111, исполнение 21
Размеры в мм
|
Условный проход Dу
|
Условное давление Ру, МПа
(кгс/см2)
|
Н
|
L
|
D1
|
Амплитуда
|
Масса, кг
|
Обозначение
|
Код ОКП
|
|
Номин.
|
Пред. откл.
|
хода 
|
сдвига 
|
поворота 
|
|
600
|
0,1 (1,0)
|
768
|
375
|
± 5
|
629
|
25
|
6
|
9°
|
42
|
551-01.077
|
36 9574 9058
|
|
0,25 (2,5)
|
47
|
-01
|
9059
|
|
0,63 (6,3)
|
66
|
-02
|
9060
|
|
1,0 (10)
|
460
|
10
|
77
|
-03
|
9061
|
|
1,6 (16)
|
81
|
-04
|
9062
|
|
2,5 (25)
|
770
|
637
|
111
|
-05
|
9063
|
|
700
|
0,1 (1,0)
|
876
|
427
|
733
|
35
|
8°
|
53
|
551-01.077-06
|
36 9574 9064
|
|
0,25 (2,5)
|
58
|
-07
|
9065
|
|
0,63 (6,3)
|
82
|
-08
|
9066
|
|
1,0 (10)
|
467
|
10
|
95
|
-09
|
9067
|
|
1,6 (16)
|
103
|
-10
|
9068
|
|
2,5 (25)
|
880
|
741
|
126
|
-11
|
9069
|
|
800
|
0,1 (1,0)
|
986
|
462
|
833
|
35
|
62
|
551-01.077-12
|
36 9574 9070
|
|
0,25 (2,5)
|
69
|
-13
|
9071
|
|
0,63 (6,3)
|
97
|
-14
|
9072
|
|
1,0 (10)
|
467
|
10
|
112
|
-15
|
9073
|
|
1,6 (16)
|
124
|
-16
|
9074
|
|
2,5 (25)
|
984
|
841
|
150
|
-17
|
9075
|
|
900
|
0,1 (1,0)
|
1096
|
465
|
933
|
40
|
73
|
551-01.077-18
|
36 9574 9076
|
|
0,25 (2,5)
|
81
|
-19
|
9077
|
|
0,63 (6,3)
|
122
|
-20
|
9078
|
|
1,0 (10)
|
470
|
10
|
131
|
-21
|
9079
|
|
1,6 (16)
|
137
|
-22
|
9080
|
|
2,5 (25)
|
1094
|
941
|
175
|
-23
|
9081
|
|
1000
|
0,1 (1,0)
|
1208
|
455
|
1041
|
40
|
6°
|
94
|
551-01.077-24
|
36 9574 9082
|
|
0,25 (2,5)
|
103
|
-25
|
9083
|
|
0,63 (6,3)
|
139
|
-26
|
9084
|
|
1,0 (10)
|
485
|
10
|
156
|
-27
|
9085
|
|
1,6 (16)
|
176
|
-28
|
9086
|
|
2,5 (25)
|
500
|
1055
|
221
|
-29
|
9087
|
|
1200
|
0,1 (1,0)
|
1422
|
470
|
1243
|
40
|
5
|
124
|
551-01.077-30
|
36 9574 9088
|
|
0,25 (2,5)
|
135
|
-31
|
9089
|
|
0,63 (6,3)
|
180
|
-32
|
9090
|
|
1,0 (10)
|
490
|
10
|
215
|
-33
|
9091
|
|
1,6 (16)
|
227
|
-34
|
9092
|
|
2,5 (25)
|
475
|
1257
|
290
|
-35
|
9093
|
|
1400
|
0,1 (1,0)
|
1640
|
480
|
1451
|
40
|
4°
|
158
|
551-01.077-36
|
36 9574 9094
|
|
0,25 (2,5)
|
177
|
-37
|
9095
|
|
0,63 (6,3)
|
217
|
-38
|
9096
|
|
1,0 (10)
|
455
|
10
|
258
|
-39
|
9097
|
|
1,6 (16)
|
271
|
-40
|
9098
|
|
2,5 (25)
|
475
|
1467
|
363
|
-41
|
9099
|
Примечание. Амплитуды в табл. 2 - 28
приведены для условий эксплуатации при температуре 293 К (20 °С). Изменение
амплитуд в зависимости от температуры определяется по приложению 3. Рабочее давление проводимой
среды - по ГОСТ
356.
Пример условного обозначения компенсатора сильфонного
металлического сдвигового, типа К001, исполнения 09, на условное давление 1,0
МПа (10 кгс/см2) с условным проходом 400 мм:
Компенсатор
К001.09-10-400 ГОСТ 27036-86
Пример условного обозначения уплотнения сильфонного
металлического универсального, типа У111, исполнения 21, на условное давление
0,1 МПа (1,0 кгс/см2) с условным проходом 200 мм:
Уплотнение У111.21-1,0-200 ГОСТ 27036- 86
2.1.
Компенсаторы и уплотнения должны быть изготовлены в соответствии с требованиями
настоящего стандарта по рабочим чертежам, утвержденным в установленном порядке.
2.2.
Детали компенсаторов и уплотнений должны быть изготовлены из материалов, указанных
в табл. 29.
На
поверхностях сильфонов, присоединительных поверхностях арматуры сильфонных
компенсаторов и уплотнений, кожухах не должно быть коррозии, забоин и вмятин.
Таблица 29
Примечания:
1.
Сталь марки 08Х18Н10Т не должна быть склонна к межкристаллитной коррозии по ГОСТ
6032 при провоцирующем нагреве.
2.
Содержание ферритной фазы, определенной в ковшовой пробе, для стали марки
08Х18Н10Т, используемой при изготовлении сильфонов, должно быть от 1,0 до 0,5 %
(от 0,5 до 2,0 баллов).
3.
Сплав ВТ1-00 не должен содержать примеси водорода более 0,006 и азота более
0,04 %.
4. Из
сплава ВТ1-00 по ГОСТ 19807
выполняется внутренняя поверхность сильфонов для компенсаторов исполнения 09,
наружная - для исполнения 10, внутренняя и наружная - для исполнения 11.
5. Взамен стали марки 08Х18Н10Т по ГОСТ
5632 допускается применять стали марок 05Х18Н10Т, 03Х18Н10Т, 03Х18Н10ТВИ и
08Х18Н10ТВ, поставляемые по отраслевой нормативно-технической документации, при
соблюдении требований пп. 1 и 2 данных примечаний.
Шероховатость
поверхностей должна соответствовать требованиям рабочих чертежей, технических
условий на материалы и комплектующие изделия.
(Измененная редакция, Изм. №
1).
2.3. Все
материалы и комплектующие изделия, применяемые для изготовления компенсаторов и
уплотнений, должны иметь документ предприятия-изготовителя, удостоверяющий
соответствие их требованиям стандартов технических условий.
2.4.
Компенсаторы и уплотнения в процессе эксплуатации должны быть прочными и
обеспечивать любые статические перемещения, предусмотренные настоящим
стандартом при значениях амплитуд, приведенных в табл. 2 - 28, и
параметров, указанных в табл. 1.
Примечание. По согласованию с разработчиком,
в порядке, установленном ГОСТ 2.124, допускаются
изменения амплитуд с соответствующим изменением наработки, а также сочетаний
перемещений изделий типов К011, К111 и У111 в соответствии с приложением 3.
2.5.
Жесткость компенсаторов и уплотнений должна соответствовать значениям,
указанным в табл. 30. Верхнее предельное
отклонение - 20 %, нижнее предельное отклонение не регламентируется.
Примечание. Верхнее значение
предельного отклонения при измерении жесткости до 11.01.94 не
регламентировалось.
(Измененная редакция, Изм. №
1, 2).
Таблица 30
|
Условный
проход Dу
|
Условное
давление Ру, МПа (кгс/см2)
|
Жесткость
|
Коэффициент
местного сопротивления
|
|
осевая
Сl, кН/м (кгс/см)
|
угловая
Сg, Н×м/град (кгм/град)
|
сдвиговая
Сd, кН/м (кгс/см)
|
Жидкости
|
Газы
|
|
65
|
0,25 (2,5)
|
25 (25)
|
0,5 (0,05)
|
6 (6)
|
0,5
|
0,65
|
|
0,63 (6,3)
|
40 (40)
|
0,7 (0,07)
|
8 (8)
|
|
1,0 (10)
|
50 (50)
|
1,0 (0,1)
|
10 (10)
|
|
1,6 (16)
|
60 (60)
|
1,2 (0,12)
|
13 (13)
|
|
85
|
0,25 (2,5)
|
30 (30)
|
0,7 (0,07)
|
4 (4)
|
0,3
|
0,5
|
|
0,63 (6,3)
|
40 (40)
|
1,0 (0,1)
|
7 (7)
|
|
1,0 (10)
|
55 (55)
|
1,4 (0,14)
|
9 (9)
|
|
1,6 (16)
|
70 (70)
|
1,7 (0,17)
|
12 (12)
|
|
100
|
0,25 (2,5)
|
40 (40)
|
1,7 (0,17)
|
35 (35)
|
0,2
|
0,45
|
|
0,63 (6,3)
|
50 (50)
|
2,2 (0,22)
|
50 (50)
|
|
1,0 (10)
|
70 (70)
|
2,7 (0,27)
|
60 (60)
|
|
1,6 (16)
|
80 (80)
|
3,4 (0,34)
|
70 (70)
|
|
2,5 (25)
|
70 (70)
|
2,6 (0,26)
|
32 (32)
|
|
4,0 (40)
|
80 (80)
|
2,9 (0,29)
|
38 (38)
|
|
6,3 (63)
|
80 (80)
|
2,9 (0,29)
|
38 (38)
|
|
125
|
0,25 (2,5)
|
40 (40)
|
2,2 (0,22)
|
40 (40)
|
0,19
|
0,43
|
|
0,63 (6,3)
|
50 (50)
|
2,9 (0,29)
|
60 (60)
|
|
1,0 (10)
|
60 (60)
|
3,6 (0,36)
|
70 (70)
|
|
1,6 (16)
|
70 (70)
|
4,3 (0,43)
|
90 (90)
|
|
2,5 (25)
|
68 (68)
|
3,9 (0,39)
|
61 (61)
|
|
4,0 (40)
|
84 (84)
|
4,8 (0,48)
|
74 (74)
|
|
6,3 (63)
|
84 (84)
|
4,8 (0,48)
|
74 (74)
|
|
150
|
0,25 (2,5)
|
30 (30)
|
3,0 (0,3)
|
60 (60)
|
0,13
|
0,42
|
|
0,63 (6,3)
|
40 (40)
|
4,0 (0,4)
|
80 (80)
|
|
1,0 (10)
|
60 (60)
|
5,0 (0,5)
|
100 (100)
|
|
1,6 (16)
|
70 (70)
|
6,0 (0,6)
|
120 (120)
|
|
2,5 (25)
|
66 (66)
|
5,5 (0,55)
|
100 (100)
|
|
4,0 (40)
|
80 (80)
|
6,5 (0,65)
|
115 (115)
|
|
6,3 (63)
|
80 (80)
|
6,5 (0,65)
|
115 (115)
|
|
200
|
0,1 (1,0)
|
30 (30)
|
4,0 (0,4)
|
95 (95)
|
0,07
|
0,38
|
|
0,25 (2,5)
|
40 (40)
|
6,0 (0,6)
|
130 (130)
|
|
0,63 (6,3)
|
65 (65)
|
8,0 (0,8)
|
190 (190)
|
|
1,0 (10)
|
70 (70)
|
11 (1,1)
|
250 (250)
|
|
1,6 (16)
|
60 (60)
|
9,0 (0,9)
|
130 (130)
|
|
2,5 (25)
|
75 (75)
|
10 (1,0)
|
155 (155)
|
|
4,0 (40)
|
85 (85)
|
12 (1,2)
|
180 (180)
|
|
6,3 (63)
|
85 (85)
|
12 (1,2)
|
180 (180)
|
|
250
|
0,1 (1,0)
|
25 (25)
|
6,0 (0,6)
|
90 (90)
|
0,06
|
0,35
|
|
0,25 (2,5)
|
35 (35)
|
8,0 (0,8)
|
120 (120)
|
|
0,63 (6,3)
|
55 (55)
|
12 (1,2)
|
200 (200)
|
|
1,0 (10)
|
70 (70)
|
15 (1,5)
|
260 (260)
|
|
1,6 (16)
|
60 (60)
|
13 (1,3)
|
200 (200)
|
|
2,5 (25)
|
70 (70)
|
15 (1,5)
|
230 (230)
|
|
4,0 (40)
|
90 (90)
|
19 (1,9)
|
290 (290)
|
|
6,3 (63)
|
100 (100)
|
21 (2,1)
|
320 (320)
|
|
300
|
0,1 (1,0)
|
25 (25)
|
8,0 (0,8)
|
120 (120)
|
0,05
|
0,33
|
|
0,25 (2,5)
|
35 (35)
|
10 (1,0)
|
160 (160)
|
|
0,63 (6,3)
|
60 (60)
|
16 (1,6)
|
250 (250)
|
|
1,0 (10)
|
70 (70)
|
19 (1,9)
|
320 (320)
|
|
1,6 (16)
|
70 (70)
|
20 (2,0)
|
330 (330)
|
|
2,5 (25)
|
80 (80)
|
24 (2,4)
|
385 (385)
|
|
4,0 (40)
|
100 (100)
|
30 (3,0)
|
475 (475)
|
|
6,3 (63)
|
110 (110)
|
33 (3,3)
|
535 (535)
|
|
350
|
0,1 (1,0)
|
35 (35)
|
15 (1,5)
|
200 (200)
|
0,04
|
0,31
|
|
0,25 (2,5)
|
50 (50)
|
20 (2,0)
|
270 (270)
|
|
0,63 (6,3)
|
80 (80)
|
35(3,5)
|
430 (430)
|
|
1,0 (10)
|
100 (100)
|
45 (4,5)
|
530 (530)
|
|
1,6 (16)
|
80 (80)
|
30 (3,0)
|
435 (435)
|
|
2,5 (25)
|
100 (100)
|
40 (4,0)
|
560 (560)
|
|
4,0 (40)
|
120 (120)
|
45 (4,5)
|
630 (630)
|
|
6,3 (63)
|
130 (130)
|
50 (5,0)
|
700 (700)
|
|
400
|
0,1 (1,0)
|
40 (40)
|
20 (2,0)
|
250 (250)
|
0,035
|
0,30
|
|
0,25 (2,5)
|
70 (70)
|
30 (3,0)
|
420 (420)
|
|
0,63 (6,3)
|
90 (90)
|
50 (5,0)
|
580 (580)
|
|
1,0 (10)
|
110 (110)
|
70 (7,0)
|
660 (660)
|
|
1,6 (16)
|
80 (80)
|
35 (3,5)
|
410 (410)
|
|
2,5 (25)
|
90 (90)
|
40 (4,0)
|
480 (480)
|
|
4,0 (40)
|
105 (105)
|
50 (5,0)
|
580 (580)
|
|
6,3 (63)
|
115 (115)
|
55 (5,5)
|
645 (645)
|
|
450
|
0,1 (1,0)
|
45 (45)
|
25 (2,5)
|
215 (215)
|
0,03
|
0,28
|
|
0,25 (2,5)
|
55 (55)
|
35 (3,5)
|
265 (265)
|
|
0,63 (6,3)
|
85 (85)
|
50 (5,0)
|
400 (400)
|
|
1,0 (10)
|
90 (90)
|
60 (6,0)
|
490 (490)
|
|
1,6 (16)
|
100 (100)
|
62 (6,2)
|
550 (550)
|
|
2,5 (25)
|
115 (115)
|
71 (7,1)
|
630 (630)
|
|
4,0 (40)
|
140 (140)
|
86 (8,6)
|
760 (760)
|
|
6,3 (63)
|
150 (150)
|
94 (9,4)
|
830 (830)
|
|
500
|
0,1 (1,0)
|
40 (40)
|
30 (3,0)
|
200 (200)
|
0,03
|
0,26
|
|
0,25 (2,5)
|
50 (50)
|
40 (4,0)
|
250 (250)
|
|
0,63 (6,3)
|
80 (80)
|
50 (5,0)
|
370 (370)
|
|
1,0 (10)
|
100 (100)
|
70 (7,0)
|
450 (450)
|
|
1,6 (16)
|
125 (125)
|
95 (9,5)
|
910 (910)
|
|
2,5 (25)
|
145 (145)
|
109 (10,9)
|
1040 (1040)
|
|
4,0 (40)
|
175 (175)
|
130 (13,0)
|
1250 (1250)
|
|
6,3 (63)
|
190 (190)
|
144 (14,4)
|
1380 (1380)
|
|
600
|
0,1 (1,0)
|
100 (100)
|
100 (10,0)
|
1380 (1380)
|
0,026
|
0,03
|
|
0,25 (2,5)
|
110 (110)
|
110 (11,0)
|
1575 (1575)
|
|
0,63 (6,3)
|
170 (170)
|
170 (17,0)
|
2430 (2430)
|
|
1,0 (10)
|
240 (240)
|
237 (23,7)
|
1830 (1830)
|
|
1,6 (16)
|
280 (280)
|
277 (27,7)
|
2140 (2140)
|
|
2,5 (25)
|
360 (360)
|
356 (35,6)
|
2750 (2750)
|
|
4,0 (40)
|
425 (425)
|
420 (42,0)
|
3240 (3240)
|
|
700
|
0,1 (1,0)
|
110 (110)
|
150 (15,0)
|
1220 (1220)
|
0,02
|
0,026
|
|
0,25 (2,5)
|
120 (120)
|
170 (17,0)
|
1890 (1890)
|
|
0,63 (6,3)
|
190 (190)
|
260 (26,0)
|
2140 (2140)
|
|
1,0 (10)
|
260 (260)
|
353 (35,3)
|
2280 (2280)
|
|
1,6 (16)
|
300 (300)
|
410 (41,0)
|
2660 (2660)
|
|
2,5 (25)
|
350 (350)
|
480 (48,0)
|
3100 (3100)
|
|
4,0 (40)
|
450 (450)
|
620 (62,0)
|
4000 (4000)
|
|
800
|
0,1 (1,0)
|
120 (120)
|
220 (22,0)
|
1130 (1130)
|
0,018
|
0,02
|
|
0,25 (2,5)
|
140 (140)
|
260 (26,0)
|
1310 (1310)
|
|
0,63 (6,3)
|
210 (210)
|
390 (39,0)
|
2000 (2000)
|
|
1,0 (10)
|
290 (290)
|
540 (54,0)
|
2715 (2715)
|
|
1,6 (16)
|
335 (335)
|
627 (62,7)
|
3150 (3150)
|
|
2,5 (25)
|
430 (430)
|
803 (80,3)
|
4035 (4035)
|
|
4,0 (40)
|
510 (510)
|
948 (94,8)
|
4770 (4770)
|
|
900
|
0,1 (1,0)
|
130 (130)
|
350 (35,0)
|
1260 (1260)
|
0,015
|
0,015
|
|
0,25 (2,5)
|
150 (150)
|
400 (40,0)
|
1470 (1470)
|
|
0,63 (6,3)
|
250 (250)
|
660 (66,0)
|
2410 (2410)
|
|
1,0 (10)
|
365 (365)
|
717 (71,7)
|
3200 (3200)
|
|
1,6 (16)
|
378 (378)
|
819 (81,9)
|
3680 (3680)
|
|
2,5 (25)
|
504 (504)
|
1225 (122,5)
|
4940 (4940)
|
|
4,0 (40)
|
615 (615)
|
1329 (132,9)
|
5408 (5408)
|
|
1000
|
0,1 (1,0)
|
140 (140)
|
480 (48,0)
|
1390 (1390)
|
0,014
|
0,015
|
|
0,25 (2,5)
|
160 (160)
|
540 (54,0)
|
1630 (1630)
|
|
0,63 (6,3)
|
290 (290)
|
930 (93,0)
|
2820 (2820)
|
|
1,0 (10)
|
370 (370)
|
847 (84,7)
|
3700 (3700)
|
|
1,6 (16)
|
400 (400)
|
1000 (100,0)
|
4100 (4100)
|
|
2,5 (25)
|
590 (590)
|
1400 (140,0)
|
5800 (5800)
|
|
4,0 (40)
|
675 (675)
|
1740 (174,0)
|
6100 (6100)
|
|
1200
|
0,1 (1,0)
|
150 (150)
|
610 (61,0)
|
1520 (1520)
|
0,013
|
0,014
|
|
0,25 (2,5)
|
170 (170)
|
750 (75,0)
|
1790 (1790)
|
|
0,63 (6,3)
|
330 (330)
|
1060 (106,0)
|
3230 (3230)
|
|
1,0 (10)
|
389 (389)
|
929 (92,9)
|
4200 (4200)
|
|
1,6 (16)
|
402 (402)
|
1034 (103,4)
|
4600 (4600)
|
|
2,5 (25)
|
425 (425)
|
1544 (154,4)
|
6700 (6700)
|
|
4,0 (40)
|
556 (556)
|
1851 (185,1)
|
7000 (7000)
|
|
1400
|
0,1 (1,0)
|
160 (160)
|
740 (74,0)
|
3650 (3650)
|
0,011
|
0,012
|
|
0,25 (2,5)
|
180 (180)
|
880 (88,0)
|
1950 (1950)
|
|
0,63 (6,3)
|
370 (370)
|
1290 (129,0)
|
3640 (3640)
|
|
1,0 (10)
|
405 (405)
|
996 (99,6)
|
4700 (4700)
|
|
1,6 (16)
|
450 (450)
|
1065 (106,5)
|
5200 (5200)
|
|
2,5 (25)
|
470 (470)
|
1209 (120,9)
|
7600 (7600)
|
2.6. Компенсаторы и
уплотнения должны соответствовать требованиям по вибропрочности в диапазоне
частот от 5 до 60 Гц при ускорении не более 19,6 м/с2 (2 g).
2.7.
Компенсаторы и уплотнения должны обеспечивать снижение общего уровня вибрации не
менее чем на 15 дБ в диапазоне частот от 5 до 10000 Гц, для изделий типа К010
не менее чем на 10 дБ.
2.8.
Компенсаторы и уплотнения должны выдерживать динамические нагрузки до 981 м/с2
(100 g) в продольном
и поперечном направлениях при количестве ударов не более пяти в каждом
направлении и длительности импульса 5 - 10 мс.
2.9.
Компенсаторы и уплотнения должны сохранять свои технические характеристики
после дегазации и дезактивации.
2.10.
Полный назначенный срок службы компенсаторов и уплотнений - не менее 20 лет,
для компенсаторов и уплотнений исполнений 07, 08, 25, 26 - не менее 15 лет.
Полный
назначенный ресурс - 60000 ч.
2.11.
Срок сохраняемости компенсаторов и уплотнений до ввода в эксплуатацию - не
менее 10 лет.
2.12.
Вероятность безотказной работы компенсаторов и уплотнений на любом из
перемещений (ход, сдвиг, поворот) для наработки 5000 циклов - не менее 0,95 при
амплитудах и параметрах, указанных в табл. 1
- 28.
(Измененная редакция, Изм. №
1).
2.13.
Компенсаторы и уплотнения должны быть герметичны. Уровень герметичности
устанавливается в конструкторской документации в зависимости от условий
эксплуатации.
Пороговая
чувствительность систем контроля герметичности для условного давления изделий
должна соответствовать:
более 5×10-2
до 5, л×мкм рт. ст./с Ру £ 1,0
(10,0);
более 5×10-3
до 5×10-2,
л×мкм рт.
ст./с Ру > 1,0 (10,0);
более 5×10-5
до 5×10-3,
л×мкм рт.
ст./с Ру > 4,0 (40,0).
2.14. Вид
климатического исполнения компенсаторов и уплотнений - ОМ51У по ГОСТ
15150.
2.15.
Масса компенсаторов и уплотнений должна соответствовать значениям, указанным в
табл. 2 - 28.
Допустимое отклонение массы компенсаторов и уплотнений от указанных значений от
минус 5 до плюс 5 %. Масса тары с компенсаторами или уплотнениями не должна
превышать 700 кг.
(Измененная редакция, Изм. №
1).
2.16.
Выполнение особых условий заказчика согласовывается с изготовителем и
оговаривается при заказе.
2.17. Комплектность
2.17.1. В
комплект поставки входят компенсатор или уплотнение и документы, удостоверяющие
качество продукции.
2.18. Маркировка
2.18.1. Маркировка компенсаторов и уплотнений должна содержать товарный
знак или наименование предприятия-изготовителя, условное
обозначение, заводской номер и дату изготовления изделия. Маркировку наносят на
цилиндрическую поверхность присоединительной арматуры шрифтом 5-Пр3 по ГОСТ
26.020 ударным способом.
2.18.2. Маркировка транспортной тары должна соответствовать
требованиям ГОСТ 14192. На
таре должны быть нанесены основные и вспомогательные надписи и манипуляционные
знаки: «Осторожно», «Верх, не кантовать», «Открывать здесь».
2.19. Упаковка
2.19.1. Внутренняя полость компенсаторов или уплотнений должна
быть очищена от посторонних предметов, изделия законсервированы в соответствии
с требованиями ГОСТ
9.014 и упакованы в ящики по ГОСТ
2991.
Вариант
защиты - ВЗ-8.
Вариант
упаковки - ВУ-4.
Тара
изготовляется по документации предприятия-изготовителя.
Примечание. По согласованию с потребителем допускаются другие
варианты тары, упаковки и защиты, обеспечивающие сохраняемость продукции в
пределах гарантийного срока хранения.
2.19.2. В каждую тару во влагонепроницаемый пакет
вкладывают документы, удостоверяющие качество продукции, и упаковочный лист.
2.16 -
2.19.2. (Введены
дополнительно, Изм. № 1).
3.1. При
изготовлении компенсаторов и уплотнений должны соблюдаться требования ГОСТ 12.3.025,
ГОСТ 12.3.003,
ГОСТ
12.2.003, а также «Правил устройства и безопасной эксплуатации сосудов,
работающих под давлением», утвержденных Госгортехнадзором СССР.
3.2. При
монтаже и эксплуатации компенсаторов и уплотнений должны соблюдаться нормы и
требования безопасности, действующие на объектах применения указанных изделий.
Разд. 4. (Исключен, Изм. № 1).
5.1. Для
проверки соответствия компенсаторов и уплотнений требованиям настоящего
стандарта устанавливают следующие виды испытаний:
приемосдаточные;
квалификационные;
периодические;
типовые.
5.2. Приемка
продукции осуществляется техническим контролем предприятия-изготовителя в
порядке, действующем в отрасли-изготовителе, а в случаях, оговоренных при
заказе, совместно с представителем заказчика или органа государственного
надзора.
5.3.
Квалификационные, периодические и типовые испытания проводятся
предприятием-изготовителем при участии предприятия-разработчика, представителя
заказчика (основного потребителя), а при необходимости, и представителя
государственного надзора. Испытания проводят на типовых представителях групп
однородной продукции.
(Измененная редакция, Изм. №
1).
5.4.
Квалификационным, периодическим и типовым испытаниям предшествуют
приемосдаточные.
5.5.
Объем приемосдаточных, квалификационных и периодических испытаний,
последовательность проверок и количество подвергаемых испытаниям образцов
должны соответствовать указанным в табл. 31.
(Измененная редакция, Изм. №
1).
5.6. Под
партией следует понимать группу компенсаторов или уплотнений одного типоразмера,
одновременно запущенных в производство, изготовленных по одному
технологическому процессу и одновременно предъявляемых к испытаниям. Объем
партии компенсаторов или уплотнений диаметром до 500 мм должен быть не более
100 шт., диаметром более 500 мм - не более 50 шт.
5.7.
Приемосдаточным испытаниям подвергают каждую партию компенсаторов и уплотнений
на соответствие требованиям, установленным настоящим стандартом.
5.8. Если
в процессе приемосдаточных испытаний компенсаторов или уплотнений будет обнаружено
несоответствие изделия хотя бы одному требованию настоящего стандарта или в
ходе испытаний произойдет отказ, то компенсаторы или уплотнения считают не
выдержавшими испытания и бракуют.
Таблица 31
|
Проверяемый параметр
|
Номер пункта стандарта
|
Объем выборки от партии
продукции при испытаниях
|
|
Технические требования
|
Методы испытаний
|
приемосдаточных,
%
|
периодических и
квалификационных
|
|
1. Основные размеры и маркировка
|
2.1
|
6.6
|
100
|
|
|
2. Внешний вид
|
2.2
|
6.7
|
100
|
|
|
3. Прочность
|
2.4
|
6.8
|
100
|
|
|
4. Термостойкость
|
2.4
|
6.9
|
100
|
|
|
5. Жесткость
|
2.5
|
6.10
|
-
|
2 шт.
|
|
6. Вибропрочность
|
2.6
|
6.11
|
-
|
2 шт.
|
|
7. Способность снижать общий уровень вибрации
|
2.7
|
6.12
|
-
|
2 шт.
|
|
8. Ударостойкость
|
2.8
|
6.14
|
-
|
2 шт.
|
|
9. Вероятность безотказной работы
|
2.12
|
6.13
|
-
|
5 %, но не менее 2 шт.
|
|
10. Герметичность
|
2.13
|
6.15
|
100
|
100 %
|
|
11. Масса
|
2.15
|
6.16
|
-
|
2 шт.
|
Примечание. Знак «-» обозначает, что испытания не проводятся.
Под
отказом понимается потеря герметичности изделия или разрушение элементов
компенсатора или уплотнения.
5.9.
Квалификационным испытаниям подвергают компенсаторы и уплотнения, изготовление
которых впервые осваивается на данном предприятии.
5.10.
Если в процессе квалификационных испытаний компенсаторов или уплотнений будет
обнаружено несоответствие изделий требованиям настоящего стандарта, то выпуск
продукции не допускается.
5.11.
Периодическим испытаниям подвергают компенсаторы и уплотнения один раз в три
года, а также в случае возобновления их выпуска после трехгодичного перерыва.
5.10,
5.11. (Измененная
редакция, Изм. № 1).
5.12.
Если в процессе периодических испытаний партии компенсаторов или уплотнений будет
обнаружено несоответствие изделий требованиям настоящего стандарта, то партия
возвращается для анализа причин несоответствия и устранения дефектов. Выпуск
продукции и отгрузку потребителю приостанавливают. После устранения дефектов на
повторные испытания от партии отбирают удвоенное количество образцов.
Если при
повторных испытаниях хотя бы один компенсатор или уплотнение не будет
удовлетворять требованиям настоящего стандарта, то партию изделий бракуют, приемку
и выпуск продукции данного типоразмера прекращают до обеспечения необходимой
стабильности качества.
5.13. При
положительных результатах повторных периодических испытаний вся партия
компенсаторов и уплотнений считается годной, за исключением изделий,
забракованных при первых испытаниях.
5.14.
Квалификационные и периодические испытания проводят по программе, составленной
разработчиком и согласованной с представителем заказчика (основного
потребителя), а при необходимости, и с представителем государственного надзора.
5.15.
Типовым испытаниям подвергают компенсаторы и уплотнения в случае изменений
конструкции, технологии изготовления или применяемых материалов, влекущих за
собой изменение основных параметров (характеристик) продукции.
5.16.
Типовые испытания проводят по программе, составленной разработчиком и
согласованной с представителем заказчика (основного потребителя),
предприятием-изготовителем и с представителем органа государственного надзора.
Программа должна содержать объем контроля и методику проверки характеристик и
параметров, на которые могли повлиять введенные изменения, а также количество
проверяемых образцов и их типоразмеры.
5.17. При
положительных результатах типовых испытаний компенсаторы и уплотнения допускают
к изготовлению по измененной документации и предъявляют на приемосдаточные
испытания в установленном порядке.
При
отрицательных результатах типовых испытаний изменения не вносят.
5.18.
Изделия, подвергнутые типовым, квалификационным или периодическим испытаниям,
использованию по назначению не подлежат.
6.1.
Испытания проводят в закрытом помещении при температуре окружающей среды
(293±10) К [(20±10) °С].
6.2.
Испытательное оборудование, контрольно-измерительные приборы и технологическое
оснащение должны обеспечивать получение необходимых режимов испытаний, а также
достижение параметров и характеристик, указанных в настоящем стандарте.
6.3.
Испытательное оборудование должно иметь документы, подтверждающие его
состояние, а контрольно-измерительные приборы - документы, подтверждающие их
поверку.
6.4.
Контрольные жидкости и газы должны соответствовать требованиям соответствующих
стандартов (технических условий).
6.5.
Чистота внутренней полости компенсаторов и уплотнений проверяется визуально,
если особые требования не оговорены при заказе.
6.6. Размеры
компенсаторов и уплотнений проверяют измерительным инструментом второго класса
с точностью, обусловленной заданными предельными отклонениями. Маркировку
проверяют визуально.
6.7.
Внешний вид компенсаторов и уплотнений проверяют осмотром на отсутствие
недопустимых повреждений. Поверхности сильфонов и присоединительные поверхности
фланцев проверяют сравнением с контрольным образцом. Контрольный образец на
соответствующий тип изделия предприятие-изготовитель должно согласовать с
предприятием-разработчиком продукции.
6.8.
Испытания компенсаторов и уплотнений на прочность производят гидравлическим
давлением Рпр = 1,5Ру. Проверка
производится согласно ГОСТ
22161 питьевой водой по ГОСТ
2874*.
* На территории Российской Федерации действует ГОСТ
Р 51232-98 (здесь и далее).
При
испытании компенсаторы и уплотнения должны быть предохранены от растяжения.
6.9.
Термические испытания компенсаторов и уплотнений проводят путем контрольного
прогрева изделий, предназначенных для применения на средах с температурой более
423 К (150 °С). Прогрев осуществляют в предварительно нагретой печи до
температуры (548±25) К [(275±25) °С] с выдержкой изделия при этой температуре в
течение 1 ч. Вспучивание или разрывы на сильфоне и сварных швах не допускаются.
6.10.
Жесткость компенсаторов и уплотнений (осевую и сдвиговую) проверяют приложением
измеряемой силы к одной из присоединительных поверхностей изделия, а угловую
жесткость - измеряемым моментом силы. Усилие измеряют динамометром 2-го класса
точности при атмосферном давлении внутри изделия и перемещениях, указанных в
табл. 2 - 28.
(Измененная редакция, Изм. №
1).
6.11.
Вибропрочность компенсаторов и уплотнений проверяют при атмосферном давлении по
программам квалификационных, периодических и типовых испытаний, разработанным в
соответствии с нормативно-технической документацией.
Компенсаторы
и уплотнения считают выдержавшими испытания на вибропрочность, если после
воздействия на них вибрации не произошло видимого разрушения и они не потеряли
способности осуществлять свои функции.
6.12.
Способность компенсаторов и уплотнений снижать общий уровень вибрации проверяют
в соответствии с программой и методикой испытаний, действующей в
отрасли-изготовителе.
6.13.
Вероятность безотказной работы проверяют назначенной наработкой на стендах, обеспечивающих
максимальные амплитуды симметричных циклов и давление (табл. 1 - 28). Проверка
производится методом однократной выборки с доверительной вероятностью 0,9, при
числе отказов, равном нулю.
Метод
отбора единиц продукции в выборку, а также порядок оценки показателей
безотказности должны устанавливаться программами-методиками испытаний с учетом
требований ГОСТ
18321.
(Измененная редакция, Изм. №
1).
6.14.
Ударостойкость компенсаторов и уплотнений проверяют при атмосферном давлении по
программам квалификационных, периодических и типовых испытаний, разработанным в
соответствии с нормативно-технической документацией.
Изделия
считают выдержавшими испытания на ударостойкость, если после воздействия на них
динамических нагрузок не произошло видимого разрушения и они не потеряли
герметичность.
6.15.
Проверка герметичности осуществляется водой по ГОСТ
2874, воздухом по ГОСТ 17433,
азотом по ГОСТ 9293 или
гелиевым течеискателем типа ПТИ-7А (ПТИ-10) по усмотрению
предприятия-изготовителя, исходя из требований, установленных пп. 2.13 и 3.1.
При
испытании изделий внутренним избыточным давлением компенсаторы и уплотнения
должны быть предохранены от растяжения. Падение давления и протечки
контрольного газа или жидкости не допускаются.
6.16.
Проверка массы выполняется путем взвешивания на весах по ГОСТ
29329.
7.1, 7.2.
(Исключены,
Изм. № 1).
7.3. Компенсаторы
или уплотнения должны быть раскреплены в таре таким образом, чтобы исключалась
возможность перемещения их при транспортировании.
7.4 - 7.6. (Исключены, Изм. № 1).
7.7.
Компенсаторы или уплотнения, упакованные в тару в соответствии с пп. 2.15, 2.18.2,
2.19.1, 2.19.2, 7.3,
могут транспортироваться всеми видами транспорта в соответствии с общими
требованиями и нормами, действующими на данном виде транспорта.
(Измененная редакция, Изм. №
1).
7.8.
Условия транспортирования продукции - по условиям хранения 9 (ОЖ1), тип
атмосферы IV по ГОСТ
15150; воздействие механических факторов по ГОСТ 23170
(Ж); условия хранения 2 (С) по ГОСТ
15150.
8.1. В
период хранения, транспортирования к месту монтажа и в период монтажа должны
быть приняты меры, исключающие повреждение компенсаторов или уплотнений.
8.2.
Хранить распакованные и расконсервированные компенсаторы или уплотнения на
открытых площадках запрещается.
8.3.
Монтаж компенсаторов и уплотнений, а также защита от коррозии в период монтажа
и эксплуатации, должны производиться по монтажным чертежам трубопроводов,
систем, механизмов в соответствии с требованиями нормативно-технической
документации на монтаж и эксплуатацию.
8.4. На
весь период монтажа компенсаторы и уплотнения следует защищать от механических
повреждений и воздействий агрессивных сред.
8.5.
Допустимые монтажные деформации компенсаторов (уплотнений) должны быть в
пределах норм на смещение и параллельность присоединительных поверхностей соединения
трубопроводов и систем, установленных государственными или отраслевыми
стандартами.
8.6. При
применении сильфонных компенсаторов и уплотнений не допускается нагружение их
крутящим моментом, силами или изгибающими моментами от массы труб, арматуры, механизмов,
устройств и т.д.
8.7.
Нанесение тепловой изоляции на изделия типов К001 и К011 для исполнений 01 - 06
должно быть согласовано с разработчиком продукции.
8.8.
Расстояние между компенсатором или уплотнением и окружающими конструкциями
должно быть не менее 50 мм. Допускается уменьшение указанного расстояния до 10
мм по документации разработчика объекта применения.
(Измененная редакция, Изм. №
1).
8.9.
Схемы компенсации и разделения объемов, в которых используются компенсаторы или
уплотнения, должны быть согласованы в соответствии с ГОСТ 2.124.
8.10. При
установке компенсаторов или уплотнений рекомендуется нагружать их величиной допустимого
хода по направлению, противоположному рабочему перемещению.
9.1.
Изготовитель гарантирует соответствие компенсаторов и уплотнений требованиям
настоящего стандарта при соблюдении потребителем условий транспортирования, хранения
и эксплуатации.
9.1.1.
Гарантийный срок хранения - 5 лет со дня изготовления.
9.1.2.
Гарантийный срок эксплуатации - 5 лет со дня ввода в эксплуатацию.
9.1.3.
Гарантийная наработка компенсаторов и уплотнений - 2500 циклов, при нагрузках,
указанных в табл. 1 - 28, для изделий исполнений 07, 08, 25, 26 - 2000 циклов
со дня ввода в эксплуатацию.
ПРИЛОЖЕНИЕ 1
Обязательное
мм
|
65
|
200
|
450
|
900
|
1800
|
2800
|
|
80
|
250
|
500
|
1000
|
2000
|
3000
|
|
100
|
300
|
600
|
1200
|
2200
|
3400
|
|
125
|
350
|
700
|
1400
|
2400
|
3800
|
|
150
|
400
|
800
|
1600
|
2600
|
4000
|
ПРИЛОЖЕНИЕ 2
Обязательное

ПРИЛОЖЕНИЕ 3
Справочное
График зависимости наработки
и отношения амплитуд

N - наработка, цикл; Кс - коэффициент,
учитывающий изменение амплитуд симметричного цикла
1. При
изменении наработки, приведенной в стандарте, до значения N¢ изменяются амплитуды перемещений в зависимости от
коэффициента Кс, определяемого по графику.
2. При
изменении амплитуд, приведенных в стандарте, до значений ; ; изменяется наработка
в зависимости от коэффициента Кс
; ; .
1, 2. (Измененная редакция, Изм. №
1).
3.
Амплитуды ; ; , назначенные для одновременного осевого перемещения, сдвига
и поворота, не должны нарушать условие:
,
где ; ; - амплитуды,
приведенные в табл. 12 - 28
настоящего стандарта.
4. Выбор амплитуд
для применения осуществляется с учетом влияния температуры
; ; ,
где Kt - коэффициент, учитывающий
влияние температуры.
Таблица значений Kt
|
Температурный
коэффициент
|
Температура,
°С
|
|
-200
|
-50
|
-40
|
-30
|
20
|
100
|
150
|
200
|
250
|
300
|
350
|
400
|
450
|
500
|
|
Kt1
|
1,00
|
1,00
|
1,00
|
1,00
|
1,00
|
1,00
|
0,95
|
0,90
|
0,87
|
0,85
|
0,82
|
0,80
|
0,77
|
0,75
|
|
Kt2
|
|
|
1,00
|
1,00
|
1,00
|
1,00
|
0,90
|
0,80
|
0,75
|
0,70
|
|
|
|
|
|
Kt3
|
|
1,00
|
1,00
|
1,00
|
1,00
|
1,00
|
|
|
|
|
|
|
|
|
Kt1 - для
изделий исполнений 01 - 06; 21 - 24;
Kt2 - для
изделий исполнений 07; 08; 25; 26;
Kt3 - для
изделий исполнений 09 - 11.
Пример 1
Требуется
определить амплитуды симметричного цикла изделия типа K111, исполнения 21, Dy = 450 мм, Ру
= 6,3 МПа, компенсирующего одновременно осевые перемещения, сдвиг и
поворот при температуре 773 К (500 °С).
1) ; ; - амплитуды симметричного
цикла по табл. 24 стандарта.
2) ; ; - амплитуды
симметричного цикла для одновременной компенсации осевого перемещения, сдвига и
поворота
.
3)
искомые амплитуды с учетом коэффициента Kt
; ; .
Пример 2
Требуется
увеличить наработку сильфонного компенсатора типа К001, исполнения 01, Dy = 300 мм, Ру = 2,5 МПа с
5000 циклов до 10000 циклов за счет уменьшения амплитуды симметричного сдвига
при температуре 293 К (20 °С).
1) - по табл. 2
настоящего стандарта равна 7 мм.
2) Кс
- по графику зависимости для наработки 10000 циклов равен 0,78
.
3) Kt - по
таблице настоящего приложения для 293 К (20 °С) равен 1,0
.
При
изменении амплитуд числовое значение допустимой наработки определяется
аналогичным способом.
ИНФОРМАЦИОННЫЕ ДАННЫЕ
1. РАЗРАБОТЧИК
Г.И. Федоров (руководитель темы)
2. УТВЕРЖДЕН И ВВЕДЕН В
ДЕЙСТВИЕ Постановлением Государственного комитета СССР по стандартам от
20.10.86 № 3130
3. ВВЕДЕН ВПЕРВЫЕ
4. ССЫЛОЧНЫЕ НОРМАТИВНО-ТЕХНИЧЕСКИЕ ДОКУМЕНТЫ
5. Ограничение срока действия снято Постановлением Госстандарта
от 21.04.92 № 424
6. ИЗДАНИЕ (ноябрь 2003 г.) с
Изменениями № 1, 2, утвержденными в октябре 1989 г., апреле 1992 г. (ИУС 1-90,
7-92)
СОДЕРЖАНИЕ
|